Renesas Electronics ISL78424EVAL3Z Evaluierungsboard
Das Renesas Electronics ISL78424EVAL3Z Evaluierungsboard ist für eine schnelle und umfassende Methode zur Evaluierung der ISL78424 100V-4A-Halbbrücken-Treiber mit 3 A Quelle für die Gate-Ansteuerung von zwei NMOS-FETs in einer Halbbrücken-Konfiguration ausgelegt. Zwei n-Kanal-MOSFETs sind im Evaluierungsboard enthalten und ermöglichen die Evaluierung einer Halbbrücken-angesteuerten Last, wie z. B. ein DC-Motor oder ein synchroner Schaltregler.Merkmale
- NMOS-Gate-Trieber mit 3 A Quelle und 4 A Senke
- Interner Pegelwandler und Bootstrap-Schalter für Gate-Treiber auf dem High-Side-FET
- Bis zu 70 V High-Side-Antriebsreferenz
- Umgebungstemperaturbereich: -40 °C bis +140 °C
- Vorspannungsversorgungsbetrieb: 8 V bis 18 V
- PWM-Einzeleingang für High-Side- und Low-Side-Dreipegel-Gate-Treiber für das Abschalten von beiden Treibern
- Anpassbare Totzeit über einen Einzelwiderstand von 35 ns bis 400 ns
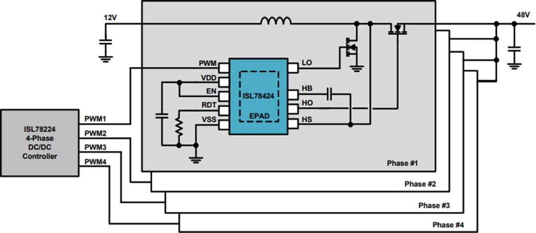
Blockdiagramm
Veröffentlichungsdatum: 2018-12-14
| Aktualisiert: 2023-02-13
