Renesas Electronics ISL81801 80-V-Buck-Boost-Controller
Renesas Electronics ISL81801 Abwärts-/Aufwärtsregler sind echte bidirektionale Regler mit vier Schaltern, die eine Spitzen- und Durchschnittsstrommessung und -überwachung an beiden Enden bieten. Diese Regler verfügen über einen proprietären Auf-/Abwärtssteueralgorithmus, eine Talstrommodulation für den Aufwärtsmodus und eine Spitzenstrommodulation für die Abwärtsmodussteuerung. Die ISL81801 Regler unterstützen eine parallele Betriebsstromaufteilung mit Kaskaden-Phasenverschachtelung und bieten einen wählbaren PWM-Modusbetrieb zwischen PWM-/DE-/burst-Modi. Diese Controller arbeiten in einem Eingangsspannungsbereich von 4,5 V bis 80 V, einem großen Ausgangsspannungsbereich von 0,8 V bis 80 V und einem programmierbaren Frequenzbereich von 100 kHz bis 600 kHz. Die ISL81801 Controller sind in TQFN- und HTSSOP-Gehäusen verfügbar, die ein EPAD zur Verbesserung der thermischen Leistungsfähigkeit und Rauschimmunität verwenden. Diese Regler werden in Batterie-Backup, redundanten Netzteilen, medizinischen Geräten, -Sicherheitsüberwachung, Fahrzeug-Sekundärmarkt, erneuerbaren Energien und batteriebetriebenen Industrieapplikationen verwendet.Merkmale
- Buck-Boost-Controller mit vier Schaltern und einer Einzelinduktivität
- Bidirektionaler On-the-fly-Betrieb mit unabhängiger Spannungs- und Stromsteuerung an beiden Enden
- Proprietärer Algorithmus für einen reibungslosen Übergang in den Modus
- MOSFET-Treiber mit adaptivem Durchzündungsschutz
- Unterstützt die Parallelbetrieb-Stromteilung mit Kaskaden-Phasenverschachtelung
- Externe Synchronisierung mit Taktausgang oder Frequenz-Dithering
- Ausgangs- und Eingangsstrom-Überwachung
- Präzise EN/UVLO- und PGOOD-Anzeige
- Unterstützt ein Einschalten in vorgespannte Schienen
- Externe Vorspannung für einen höheren Wirkungsgrad für einen 8-V- bis 36-V-Eingang
- Wählbarer PWM-Modusbetrieb zwischen PWM-/DE-/Burst-Modi
- Programmierbarer Frequenzbereich: 100 kHz bis 600 kHz
- 4.5V bis 80V Eingangsspannungsbereich
- Ausgangsspannungsbereich: 0,8 V bis 80 V
- Niedriger Abschaltstrom: 2,7 µA
Applikationen
- Batterie-Backup
- USV-/Speichersysteme
- Batteriebetriebene Industrieapplikationen
- Erneuerbare Energie
- Automotive-Sekundärmarket
- Ausfallsichere Netzteile
- Roboter und Drohnen
- Medizinische Geräte
- Gebäude- und Industrieautomatisierung
- Sicherheitsüberwachung
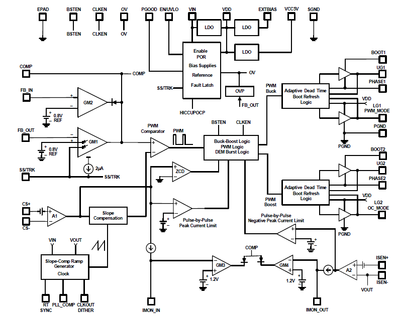
Blockdiagramm
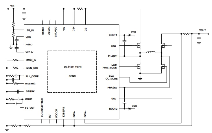
Typisches Applikationsdiagramm
Veröffentlichungsdatum: 2020-12-15
| Aktualisiert: 2023-12-11
