Renesas Electronics ISL81806 Synchroner 80-V-Dual-Abwärtsregler
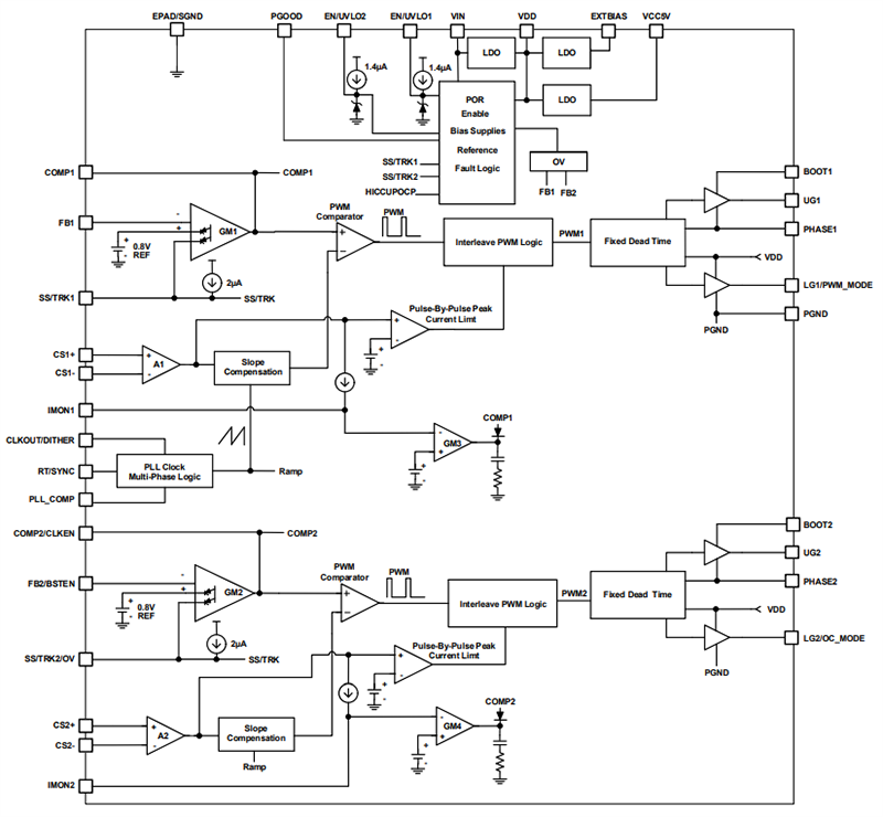
Der Renesas Electronics ISL81806 synchrone 80-V-Dual-Abwärtsregler ist E-Modus-GaN-basiert und erzeugt zwei unabhängige Ausgänge oder einen Ausgang mit zwei verschachtelten Phasen. Der ISL81806 bietet eine 5,3 V Gate-Treiber-Spannung für E-Modus-GaN-Geräteapplikationen. Mit breiten Eingangs- und Ausgangsspannungsbereichen (bis zu 80V) eignet sich der Regler für Telekommunikations-, Rechenzentrums- und Computerapplikationen.Der ISL81806 verwendet eine Spitzenstrommodussteuerung mit Phasenverschachtelung für die beiden Ausgänge. Jeder Ausgang verfügt über eine Stromüberwachung, einen Spannungsregler und einen durchschnittlichen Stromregler, um eine unabhängige durchschnittliche Spannungs-/Stromsteuerung zu bieten. Ein interner Phasenregelschleifen-Oszillator (PLL) gewährleistet genaue Frequenzeinstellungen von 100kHz bis 1MHz. Der Oszillator kann für die Frequenzsynchronisierung und Phasenverschachtelungs-Parallelapplikationen mit einem externen Taktsignal synchronisiert werden. Diese PLL-Schaltung gibt ein phasenverschiebungs-programmierbares Taktsignal aus, das auf drei, vier und sechs Phasen erweitert wird.
Der 32-Zuleitung 5 mm x 5 mm TQFN-Gehäuse (mit EPAD) von Renesas ISL81806 verfügt über einen programmierbaren Sanftanlauf, genaue Schwellenwert-Freigabefunktionen und eine Power-Good-Anzeige zur Vereinfachung der Stromversorgungsschienen-Sequenzierung. Darüber hinaus bietet das Bauteil vollständige Schutzfunktionen wie OVP, UVP, OTP und OCP an beiden Ausgängen.
Merkmale
- Breiter Eingangsspannungsbereich von 4.5V bis 80V
- Großer Ausgangsspannungsbereich von 0,8 V bis 76 V
- 5,3 V Gate-Treiber-Spannung
- 4 x FET-Treiber
- Verschachtelte Dual-Ausgänge oder Einzel-Ausgang mit verschachteltem Zweiphasen-Betrieb
- Programmierbarer Frequenzbereich: 100 kHz bis 2 MHz
- Konstante Ausgangsspannungs- und Ausgangsstrom-Rückkopplungsschleifensteuerung
- Verbesserung des Wirkungsgrads bei geringer Last, Dioden-Emulation mit niedriger Welligkeit und Burst-Modus-Betrieb
- Programmierbarer Sanftanlauf
- Unterstützt ein Einschalten in vorgespannte Schienen
- Unterstützt Stromaufteilung mit Kaskaden-Phasenverschachtelung
- Externe Taktsynchronisierung
- Takt-Out mit exaktem Phasenwinkel, der über PLL oder Frequenz-Dithering gesteuert wird
- P-GOOD-Anzeige
- Ausgangsstromwächter
- Wählbarer Modus zwischen PWM/DE/Burst
- ±2 % Genauer EN/UVLO-Schwellenwert
- Niedriger Abschaltstrom von 5 µA
- OCP (Impuls-für-Impuls und optionaler Hiccup- oder Konstantstrommodus), OVP, OTP und UVP
Applikationen
- Telekommunikation
- Server und Rechenzentren
- Automotive-Elektronik
- Industrie-Ausstattung
- Leistungssysteme
Typische Applikation
Blockdiagramm
