Renesas Electronics ISL81807 Synchroner 80-V-Dual-Boost-Controller
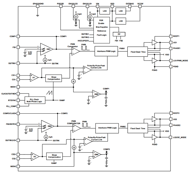
Der Renesas Electronics ISL81807 synchrone 80-V-Dual-Boost-Controller erzeugt zwei unabhängige Ausgänge oder einen Ausgang mit zwei verschachtelten Phasen für verschiedene Industrie- und Universal-Applikationen. Mit großen Eingangs-/Ausgangsspannungsbereichen eignet sich der Regler für Telekommunikation, Rechenzentren und Computerapplikationen. Der ISL81807 bietet eine Gate-Treiber-Spannung von 5,3 V. Mit einer kleinen Totzeit-Einstellung eignet sich der Regler hervorragend für E-Modus-GaN-FET-Bauteile.Der 32-polige, 5 mm x 5 mm große ISL81807 im TQFN-Gehäuse verwendet eine Spitzenstromregelung mit Phasenverzahnung für die beiden Ausgänge. Jeder Ausgang verfügt über eine Stromüberwachung, einen Spannungsregler und einen durchschnittlichen Stromregler, um eine unabhängige durchschnittliche Spannungs- und Stromsteuerung zu bieten. Ein interner Phasenregelschleifen-Oszillator (PLL) gewährleistet genaue Frequenzeinstellungen von 100 kHz bis 2 MHz. Der Oszillator kann mit einem externen Taktsignal für die Frequenzsynchronisierung und Phasenverschachtelungs-Parallelapplikationen synchronisiert werden. Diese PLL-Schaltung gibt ein phasenverschiebungs-programmierbares Taktsignal für die Mehrphasen-Kaskaden-Synchronisierung mit der erforderlichen verschachtelten Phasenverschiebung aus.
Der ISL81807 von Renesas verfügt über einen programmierbaren Sanftanlauf, genaue Schwellenwert-Freigabefunktionen und eine Power-Good-Anzeige zur Vereinfachung der Stromversorgungsschienen-Sequenzierung. Um eine hohe Zuverlässigkeit zu gewährleisten, bietet das Bauteil vollständige Schutzfunktionen, wie z. B. OVP, UVP, OTP und Mittel-/Spitzenstrombegrenzung an beiden Ausgängen.
Merkmale
- Breiter Eingangsspannungsbereich von 4.5V bis 80V
- Großer Ausgangsspannungsbereich von 5 V bis 80 V
- 5,3 V Gate-Treiber-Spannung
- 4 x FET-Treiber
- Konstante Ausgangsspannungs- und Ausgangsstrom-Rückkopplungsschleifensteuerung
- Verbesserung des Wirkungsgrads bei geringer Last, Dioden-Emulation mit niedriger Welligkeit und Burst-Modus-Betrieb
- Programmierbarer Sanftanlauf
- Unterstützt ein Einschalten in vorgespannte Schienen
- Programmierbarer Frequenzbereich: 100 kHz bis 2 MHz
- Unterstützt Stromaufteilung mit Kaskaden-Phasenverschachtelung
- Externe Taktsynchronisierung
- Takt-Out mit exaktem Phasenwinkel, der über PLL oder Frequenz-Dithering gesteuert wird
- P-GOOD-Anzeige
- Eingangsstromüberwachung
- Wählbarer Modus zwischen PWM/DE/Burst
- ±2 % Genauer EN/UVLO-Schwellenwert
- Niedriger 5 µA Abschaltstrom
- OCP (Impuls-für-Impuls und optionaler Hiccup- oder Konstantstrommodus), OVP-, OTP- und UVP-Schutzfunktionen
Applikationen
- Telekommunikation
- Server und Rechenzentren
- Fahrzeugelektronik
- Industrie-Ausstattung
- Leistungssysteme
Typische Applikation
Blockdiagramm
