Renesas Electronics ISL85014 Synchroner Abwärtsregler
Der ISL85014 synchrone Abwärtsregler von Renesas/Intersil ist ein monolithischer Regler mit hohem Wirkungsgrad, der von einer Eingangsversorgung von 3,8 V bis 18 V einen Ausgangsstrom von 14 A liefert. Dieser ISL85014 Regler integriert High-Side- und Low-Side-FETs mit niedrigem ON-Widerstand zur Steigerung des Wirkungsgrads. Das ISL85014 Bauteil ist mit einem externen Taktgeber von bis zu 1 MHz synchronisiert. Dieser ISL85014 Regler ist in einem platzsparenden bleifreien 15Ld-TQFN-Gehäuse von 3,5 mm x 3,5 mm verfügbar. Zu den Applikationen gehören Server- und Cloud-Infrastruktur-Punktlasten (POLs), Infrastruktur-Schutzzentren (IPCs), Fabrikautomatisierung, PLCs und Speichersysteme.The operation frequency of the ISL85014 can be set using the FREQ pin: 600kHz (FREQ = float) and 300kHz (FREQ = GND). The device can also be synchronized to an external clock up to 1MHz.
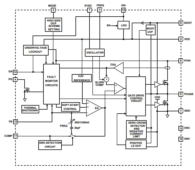
Both high-side and low-side MOSFET current limit and reverse current limit fully protect the regulator in an overcurrent event. Selectable OCP schemes can fit various applications. Other protections, such as input/output overvoltage and over-temperature, are also integrated into the device and provide required system-level safety in the event of fault conditions.
The ISL85014 is offered in a space-saving 3.5mm x 3.5mm TQFN-15 package with excellent thermal performance and a 0.8mm maximum height.
Merkmale
- Power input voltage range variable from 3.8V to 18V
- PWM output voltage adjustable from 6V
- Up to 14A output load
- Pre-bias start-up, fixed 3ms soft-start
- Selectable fSW of 300kHz, 600kHz, and external synchronization up to 1MHz
- Peak current-mode control
- DCM/CCM
- Thermally compensated current limit
- Internal/external compensation
- Open-drain PG window comparator
- Output overvoltage and thermal protection
- Input overvoltage protection
- Integrated boot diode with undervoltage detection
- Selectable OCP schemes
- Hiccup OCP
- Latch-off
- 3.5mm x 3.5mm TQFN-15 package
Applikationen
- Server- und Cloud-Infrastruktur-Punktlasten (POLs)
- Infrastruktur-Schutz-Center (IPCs), Fabrikautomatisierung und PLCs
- Telekommunikations- und Netzwerksysteme
- Speichersysteme
- Prüfung und Messungen
ISL85014 Blockdiagramm
Veröffentlichungsdatum: 2017-06-29
| Aktualisiert: 2022-06-30
