Renesas Electronics ISLACDC750WEVKIT1Z Evaluierungskit
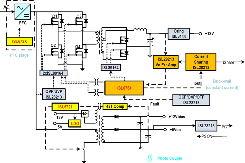
Das Renesas Electronics ISLACDC750WEVKIT1Z Evaluierungskit ist zur Demonstration der ATX PC-Netzteilapplikationen ausgelegt, die auf dem ISL6754 ZVS-PWM-Vollbrücken-Controller, den ISL6731A und ISL6731B Blindleistungskompensations-Controllern und dem einendigen PWM-Strommodus-Controller basieren. Mit einem 400VDC-Bus kann der Wandler bei 62,5 A 12 V ausgeben. Die Leistungsfähigkeit des Wirkungsgrades kann bis zu 80 % betragen. Allgemeine Schutzfunktionen, wie Eingangs-Überspannungs- und Unterspannungsschutz, Ausgangs-Überspannungs-, Überstrom-, Übertemperaturschutz und die Kurzschlusssicherung machen diese Schaltung sehr zuverlässig. Der PSON-Pin bietet eine Schnittstelle zur Fernsteuerung des Boards und ein Power-Good-Pin (PG) zeigt den Betriebszustand der Schaltung an. Die Schaltung kann auch an ein Batterieladegerät angepasst werden.Merkmale
- ISL6754 ZVS-PWM-Vollbrücken-Controller
- ISL6731A und ISL6731B Blindleistungskompensations-Controller
- ISL6721 Einendige PWM-Strommodus-Controller
- ISL28213 Micropower-Operationsverstärker
- Stromaufteilung
- ORing: Hot-Swap
- Überspannungsschutz (OVP)
- Übertemperaturschutz (OTP)
- Unterspannungsschutz (UVP)
- Überstromschutz (OCP)
- Kurzschluss-Sicherung
- Stand-by-Modus schaltet Blindleistungskompensation (PFC) und DC/DC aus
Lieferumfang Kit
- ISLACDC750W-MBEV1Z Hauptboard (MB)
- ISL6731x-DB-1Z Tochterboard (PFDB)
- ISL6721-DB-1Z Tochterboard (BiasDB)
- ISL6754DBEVAL2Z Tochterboard (ZVSDB)
Test-Einstellung
Systemblockdiagramm
PFC-Stufen Blockdiagramm
Veröffentlichungsdatum: 2018-07-05
| Aktualisiert: 2023-02-09
