Renesas Electronics RAA306012 Smart-Dreiphasen-Gate-Treiber
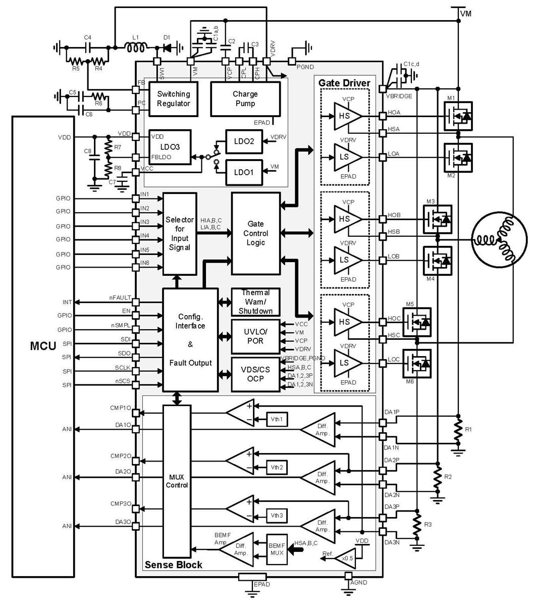
Der Renesas Electronics RAA306012 Smart-Dreiphasen-Gate-Treiber ist für den Einsatz eines bürstenlosen Dreiphasen-DC-Motors ausgelegt. Der RAA306012 von Renesas Electronics enthält drei Halbbrücken-Gate-Treiber, die bis zu drei n-Kanal-MOSFET-Brücken mit einem Spannungsbereich von 6 V bis 65 V ansteuern können. Jeder Treiber unterstützt einen Quellen- und Senken-Spitzenantriebsstrom von 0,64 A bzw. 1,28 A, der über eine Antriebsstärkensteuerung einstellbar ist. Adaptive Totzeiten verbessern die Robustheit und verhindern Miller-Effekt-induzierte Querströme. Das Bauteil enthält Netzteile für interne Schaltungen, Gate-Treiber und eine dedizierte Versorgung für externe Mikrocontroller. Darüber hinaus verfügt es über einen stromsparenden Ruhemodus, der nur 28μA für eine längere Batterielaufzeit in tragbaren Applikationen verbraucht.Merkmale
- Versorgungsspannung
- VBRIDGE: 6 V bis 65 V (78 V absolutes Maximum)
- VM: 6 V bis 60 V (65 V absolutes Maximum)
- -40°C bis 125°C Betriebsumgebungstemperatur
- Dreiphasen-Gate-Treiber für BLDC-Applikation
- Schaltfrequenzbereich von bis zu 200 kHz
- Spitzen-Quellen-/Senkenstrom von 0,64 A bzw. 1,28 A mit 16 einstellbaren Treiberstärken über SPI-Schnittstelle
- Adaptive und einstellbare Totzeit
- Flexible Konfiguration für Gate-Treiber
- Dreiphasen-HI/LI-Modus und Dreiphasen-PWM-Modus
- Eingangssteuerungs-Signalkonfiguration
- Unterstützt Halbbrücken-, Vollbrücken-Konfiguration
- Vollständig integrierte Stromversorgungsarchitektur
- Zwei VCC -LDOs ermöglichen den Ruhemodus mit niedrigem IQ
- Der Abwärtsschaltregler von 500 mA erzeugt eine Antriebsspannung (5 V bis 15 V einstellbar)
- Einstellbarer Ausgangs-LDO für MCU-Versorgungen von 100 mA
- Drei präzise Differentialverstärker
- Vier Stufen der Messverstärkungseinstellung
- Unterstützt DC-Offset-Kalibrierung während des Einschaltens und während des Betriebs
- BEMF-Messverstärker für sensorlosen Motorantrieb
- Drei Komparatoren für Hall-Sensor-Motorantrieb
- Integrierte Schutzfunktionen
- VM-Über-/Unterspannungssperre (VM_OV/UVLO)
- Ladungspumpen-Unterspannung (VCP_UV)
- Abwärtsreglerfehler (VDRV_OV/UV, SR_OCP)
- MOSFET-VDS-OCP (VDS_OCP)
- Strommess-OCP (CS_OCP)
- MOSFET-VGS-Fehler (VGS_FAULT)
- Thermische Warnung/Abschaltung (TWARN/OTSD)
- Fehleranzeige (nFAULT-Pin)
- 48-Ld-QFN-Gehäuse (0,5 mm Rastermaß) von 7 mm x 7 mm
Applikationen
- Elektrowerkzeuge und Gartenwerkzeuge
- Drucker
- Staubsauger
- Lüfter
- Pumpen
- Robotik
Videos
Typische Applikations-Schaltungen
Veröffentlichungsdatum: 2023-12-05
| Aktualisiert: 2024-02-07
