Renesas Electronics RAA48930x 3-Stufen synchrone Abwärtswandler
Die synchronen 3-Stufen Abwärtsregler RAA48930x von Renesas Electronics wurden für eine 3-stufen gesteuerte Abwärtstopologie entwickelt, die einen hervorragenden Wirkungsgrad bietet und die für die Regelung der Ausgangsspannung erforderliche Induktivität erheblich reduziert. Das innovative Design reduziert Leistungsverluste und die Systemgröße und ist somit ideal für kompakte, leistungsstarke Applikationen geeignet.Der Renesas RAA48930x bietet ein überlegenes thermisches Betriebsverhalten indem er die Wärmeentwicklung reduziert und den Leistungsverlust beim Schalten minimiert. Die Bauteile verringern die thermische Belastung, verbessern die Systemzuverlässigkeit und verlängern die Produkt-Lebensdauer. Darüber hinaus weist der RAA48930x einen geringeren Kühlbedarf bei geringerer Dissipation auf, was zu kleineren Kühllösungen führt und Platz sowie Kosten spart.
Die RAA48930x Controller implementieren eine platzsparenden Architektur in einem kompakten Design und reduzieren den PCB-Footprint. Das Gerät bietet flexible Skalierbarkeit und lässt sich problemlos an verschiedene Leistungsstufen und Applikation anpassen. Die verbesserte Renesas R3™ Technologie mit Flying- Anschlusskappe -Spannungsausgleich sorgt für eine hocheffiziente Stromversorgung und schnelles Einschwingverhalten.
Merkmale
- 3-Stufen Abwärtskonfiguration mit Einzelinduktivität
- Interne elektrische Ladungspumpe für 5 V oder 10 V Gate-Antrieb mit EXT5V
- Durchgangsmodus in Vorwärts- oder Rückwärtsrichtung
- Reibungslose Übergänge zwischen CV, CC, CL und CV in Schleifen
- Integrierter 8-Bit-ADC für digitale Telemetrie
- Hardwarebasierter Monitor für Eingangs- und Ausgangsstrom
- 4 x 4 32-lead TQFN-Gehäuse
Applikationen
- Elektrowerkzeuge
- Tragbare Staubsauger
- Rasenmäher
- Docking-Stationen
- Industrie
- Unterhaltungselektronik
- USB-PD-Ladegerät mit mehreren Anschlüssen
- Tragbare Leistungslösung
- PC-Dockingstation
- Roboter und Drohnen
Wirkungsgrad
Blockdiagramm
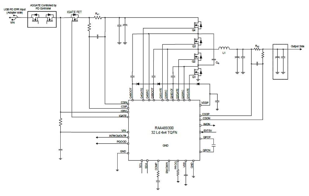
RAA489300 Typische Applikation
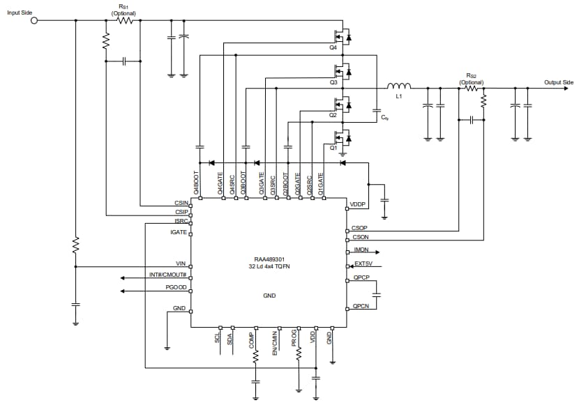
RAA489301 Typische Applikation
