Renesas Electronics RAJ30610x Motorsteuerungs-ICs
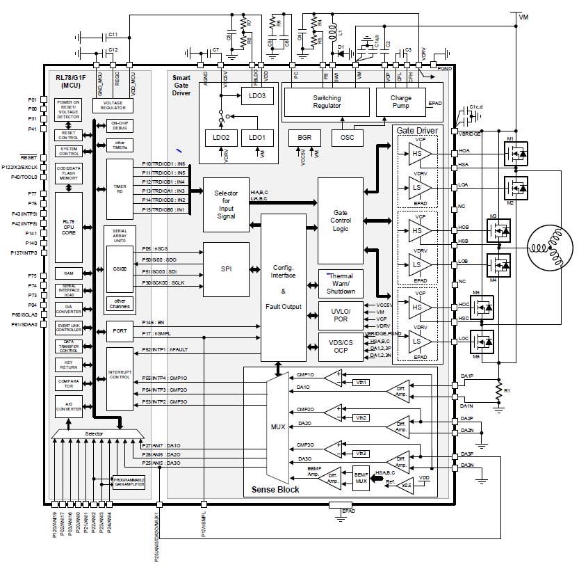
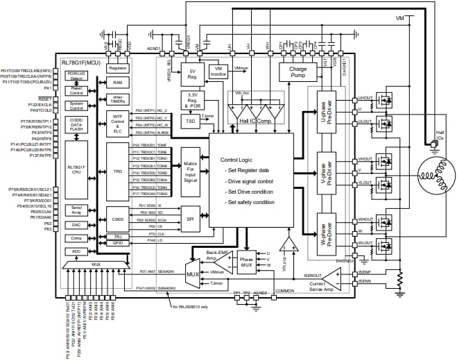
Renesas Electronics RAJ30610x Motorsteuerung-ICs sind für 3-Phasen bürstenlos DC-Motoren ausgelegt. Der RAJ30610x von Renesas Electronics integriert einen eingebauten MCU (RL78/G1F) und einen Vortreiber mit Funktionen wie drei Halbbrücken-Gate-Treiber, einem 5-V-Regler und einem Strommessungsverstärker. Der RAJ306102 konsolidiert einen Smart-Gate-Treiber (RAA306012) und einen MCU (RL78/G1F) in einem einzigen Gehäuse. Der Smart-Gate-Treiber enthält drei Halbbrücken-Gate-Treiber, einen Abwärtsschaltregler, eine Ladungspumpe für die Gate-Treiber-Spannung und zwei LDOs für die interne Schaltung.Merkmale
- RAJ306001
- 6 V bis 30 V Betriebsversorgungsspannung
- RAJ306001 TA = -40 °C bis +85 °C Betriebstemperatur
- RAJ306001Z TA = -40 °C bis +105 °C
- Geringer Verbrauch von VM-Strom (ohne 5-V/7-V-Regler und Ladungspumpe): [MCU-Block]: +5,2 mA (HS-Modus: fIH = 32 MHz, VDD = 5 V) [Vortreiberblock]: + 13,5 mA [VM = 22,5V] VM-Standby-Strom 64 µA (typisch)
- 16-Bit-CISC CPU (RL78/G1F) CPU
- 64 KB Daten-Flash 4 KB RAM: 5,52 KB Flash-ROM
- Zweikanal-SPI, Zweikanal-IIc, Zweikanal-UART: Einkanal-GSI
- Timers Timerarray-Einheit: 1 Einheit – 16-Bit, vier Kanäle
- Timer-RD für Motorsteuerung — 16-bit, 2 Kanäle
- Timer-RG mit Kodierungsfunktion – 16-Bit, 1 Kanal
- 64 MHz Motorsteuerungs-Eingangserfassungs-Timer (Timer RX)
- Analog-DC-Wandler mit 10-bit-Auflösung: 9 Kanäle
- GPIO: 28-Kanal, Anschluss für Eingang: 2-Kanal
- Integrierter 5-V-Regler
- RAJ306102
- Versorgungsspannung
- VBRIDGE: 6 V bis 65 V (78 V absolutes Maximum)
- Spannung max. (VM): 6 V bis 60 V (65 V absolutes Max.)
- -40 °C bis 105 °C Betriebsumgebungstemperatur
- Versorgungsstrom
- MCU, VDD Strom
- HS-Modus, fIH = 32MHz: 5,2 mA
- Smart-Gate-Treiber
- Betriebsmodus: 2 mA, Ruhemodus: 28μA
- MCU, VDD Strom
- Umfangreiche Schutzfunktionen
- 16-bit-CISC-CPU
- 64 KB, Daten-Flash: 4 KB, RAM: 5,5 KB
- Serielle Array-Einheit: 2 Einheiten (CSI: 2 Kanäle, UART: 1 Kanal, I2C: 2 Kanäle)
- GPIO: 29 Kanäle – I/O: 27 Kanäle, Eingang: 2 Kanäle
- Timerarray-Einheit: 1 Einheit – 16-Bit, Vierkanal
- Analog-Digital-Wandlereingang mit 10-Bit-Auflösung: 11 Kanäle
- Externer Interrupt-Eingang: 10Kanal
- Versorgungsspannung
Applikationen
- Kabellose Elektrowerkzeuge
- Leistungsgeräte für den Außenbereich
- Staubsauger
- Lüfter
- Pumpen
- Robotik
- Medizinisches Equipment
Veröffentlichungsdatum: 2023-12-05
| Aktualisiert: 2024-01-25
