Renesas Electronics SLG47011 GreenPAK Programmierbare Mischsignal-Matrix
Die Renesas Electronics SLG47011 GreenPAK programmierbare Mischsignal-Matrix bietet eine kleine, stromsparende Lösung für häufig verwendete Analog-Digital-Umwandlungs- und Mischsignal-Funktionen. Ein flexibles Datenerfassungssystem, das in Verbindung mit einer konfigurierbaren Logikschaltung verwendet wird, bietet eine Möglichkeit, eine große Auswahl von Funktionen mit minimalen Kosten zu implementieren. Der Nutzer kann einen Schaltungsdesign erstellen, indem er den einmalig programmierbaren (OTP) nichtflüchtigen Speicher (NVM) programmiert, um die Verbindungs-Logikschaltung, die Makrozellen und die IO-Pins zu konfigurieren. Der SLG47011 von Renesas ist ideal für die Unterhaltungselektronik, tragbare/mobile Elektronik,Industrieautomatisierung/Steuerung, PCs/Server, PC-Peripherie, Spannungs-/Stromüberwachung von Batterien und Leistungsmonitore.Merkmale
- SAR-Analog-Digital-Wandler (ADC)
- Wählbare Auflösung von 14-, 12-, 10- und 8-Bit
- Bis zu 2,35 MS/s im 8-Bit-Modus
- Abtastung von bis zu 4 analogen Kanälen
- Parallele, I2C- und SPI-Ausgangsoptionen
- Verstärker mit programmierbarer Gain
- 1x bis 64x Gain-Auswahl
- Differenzielle, einendige Modi
- MathCore - Optionen für Multiplikator, Addierer, Subtrahierer und Schieberegister
- 4 x unabhängige Datenpuffer
- Buffer bis zu 8 x 16-Bit-Wörter
- Überabtastungsmodus (Erhöhung der ADC-Auflösung)
- Gleitender Durchschnittsmodus
- Zählermessmodus
- 4.096 Wörter x 12-Bit-Speichertabellen-Makrozelle
- Vollbereichs- oder Zweibereichs-Modus
- ADC-Datenlinearisierung oder eine beliebige y = F(x)-Funktion
- ADDR-zu-DATA-/Speichermodi
- 16-Bit-Mehrkanal-Digitalkomparator (MDCMP)
- Abtastung von bis zu 4 unabhängigen Kanälen
- Statischer oder dynamischer Schwellenwert
- Hysterese-Option für jeden Kanal
- Makrozelle für Pulsbreitenmodulation (PWM)
- Auflösung von 12 Bit
- Dynamische Änderung des Taktverhältnisses (bis zu einem Taktverhältniswert von 4.096)
- Breitenwandler-Makrozelle
- 12-Bit-Ausgang
- Optionaler 12 x 1-Bit-, 6 x 2-Bit- oder 3 x 4-Bit-Ausgang
- 12-Bit-Digital-Analog-Wandler (DAC) von 333 KS/s
- Wählbare Stromquelle
- Integrierte Spannungsreferenzen (VREF)
- Hochgeschwindigkeits-Analogkomparator mit konfigurierbarer Hysterese und Referenz
- 18 x Kombinationsfunktions-Makrozellen
- 2 x 2-Bit-LUT- oder DFF-/LATCH-Makrozellen
- 8 x 3-Bit-LUT oder DFF/LATCH mit Set/Reset
- 6 x Wählbare DFF/LATCH oder 3-Bit-LUTs oder Schieberegister
- 2 x 4-Bit-LUT oder DFF/LATCH mit Set-/Reset-Makrozelle
- 14 x Multifunktions-Makrozellen
- 10 x Auswählbare DFF/LATCH oder 3-Bit-LUTs + 12-Bit-Verzögerung/Zähler
- 2 x Auswählbare DFF/LATCH oder 4-Bit-LUT + 16-Bit-Verzögerung/Zähler/FSM
- 1 x Auswählbare DFF/LATCH oder 3-Bit-LUTs + 12-Bit-Verzögerung/Zähler/FSM
- 12-Bit-Speichersteuerungs-Auf-/Abwärtszähler
- SPI- und I2C-Kommunikationsschnittstellen
- Programmierbare Verzögerung mit Edge-Detektor-Ausgang
- Entstörfilter oder Edge-Detektor
- 2 x Oszillatoren (OSC)
- Oszillator von 2 kHz/10 kHz
- Oszillator von 20 MHz/40 MHz
- Analoger Temperatursensor
- Power-On-Reset (POR) mit CRC
- Rückleseschutz (Lesesperre)
- 1,71 V bis 3,6 V Stromversorgung
- Betriebstemperaturbereiche
- -40 °C bis +85 °C für SLG47011V
- -40 °C bis +105 °C für SLG47011-EV
- 16-Pin-STQFN-Gehäuse, 2,0 mm x 2,0 mm x 0,55 mm, 0,4 mm Rastermaß
- Halogenfrei und RoHS-konform
Applikationen
- Unterhaltungselektronik
- Tragbare und Handheld-Elektronik
- Industrieautomatisierung und Prozesssteuerung
- PCs und Server
- PC-Peripherie
- Batteriespannungs- und Stromüberwachung
- Leistungsmonitore
Datenblätter
- SLG47011-E - GreenPAK Programmierbare Mischsignal-Matrix mit Analog-Digital-Datenerfassungssystem und erweitertem Temperaturbereich
- SLG47011 - GreenPAK Programmierbare Mischsignal-Matrix mit Analog-Digital-Datenerfassungssystem
Videos
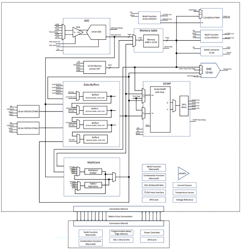
Blockdiagramm
Kombinierter Aufbau von analogen/digitalen Blöcken
Veröffentlichungsdatum: 2025-09-02
| Aktualisiert: 2025-12-30
