ROHM Semiconductor BD18353EFV-M 1-Kanal-Hochstrom-LED-Controller
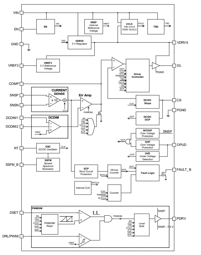
Der 1-Kanal-Hochstrom-LED-Controller der Baureihe BD18353x von ROHM Semiconductor ist ein AEC-Q100-qualifizierter Baustein mit einem integrierten Verstärker zur Erkennung von Hochstrom. Dieser LED-controller verfügt über zwei Systeme für die integrierte analoge Verdunkelung, Überspannungsschutz (OVP) und Kurzschluss-Sicherung (SCP). Die PWM-Dimmung kann mit einer eingebauten PWM-Erzeugungsschaltung frei eingestellt werden. Dieser LED-Controller arbeitet im Eingangsspannungsbereich von 5 V bis 65 V und im Temperaturbereich von -40°C bis 125°C. Der 1-Kanal-Hochstrom-LED-Controller BD18353EFV-M ist ideal für die Außenbeleuchtung von AutomobilenMerkmale
- AEC-Q100-qualifiziert (Klasse 1)
- Rail-to-Rail-Strommessverstärker
- Generator für PWM-Dimmsignale
- Überspannungsschutz (OVP)
- Kurzschluss-Sicherung (SCP)
- Analoge Verdunkelung (zwei Systeme)
- Freigabe des DRL-Modus (100 % Funktion)
- Ausgänge abnormaler LED-Status (FAULT_B)
- Spreizspektrum-Frequenzmodulation EIN/AUS (SSFM_B)
Technische Daten
- Betriebstemperaturbereich: -40 °C bis 125 °C
- Eingangsspannungsbereich: 5 V bis 65 V
- Genauigkeit der LED-Strommessspannung: ±3 %
- Maximale Ausgangsspannung: 65 V
- Frequenzschaltbereich: 200 kHz bis 2,5 MHz
Applikationen
- Externe Automotive-Lampen
- Rücklicht, Blinklicht, Tagfahrlicht/Positionslicht, Nebellicht, Fernlicht und Abblendlicht
Blockdiagramm
Applikations-Schaltungs-Diagramm
Weitere Ressourcen
Veröffentlichungsdatum: 2021-03-23
| Aktualisiert: 2022-03-11
