ROHM Semiconductor BD83816EFV-M 16-Kanal-LED-Treiber-IC
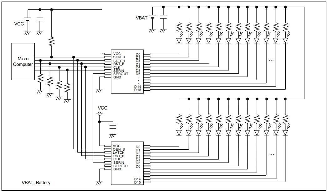
Der BD83816EFV-M 16-Kanal-LED-Treiber-IC von ROHM Semiconductor ist ein Seriell-In-Parallel-Out-LED-Treiber und einer Ausgangsnennspannung von 35 V. Der AEC-Q100-qualifizierte LED-Treiber schaltet mithilfe des Inputs der seriellen Daten von 3 Leitungen den 16-Kanal-Open-Drain-Ausgang ein/aus. Der BD83816EFV-M Treiber-IC verfügt über einen Eingangsspannungsbereich von 3 V bis 5,5 V, einen internen 16-Kanal-Leistungstransistor und einen Open-Drain-Ausgang in einem HTSSOP-B24-Gehäuse. Dieses Gerät ist kompatibel mit Kaskadenschaltung und bietet eine Ausgangs-Anstiegsrate von 20 V/µs. Der BD83816EFV-M 16-Kanal-LED-Treiber eignet sich optimal für kleine Räume und eignet sich hervorragend für Anzeigen von Kombiinstrumententafeln und Fahrzeuganwendungen.Merkmale
- AEC-Q100-qualifiziert (Klasse 1)
- Open-Drain-Ausgang
- Serielle Steuerung von 3 Leitungen und Freigabesignal
- kompatibel mit Kaskadenschaltung
- HTSSOP-B24-Gehäuse
- Interner 16-Kanal-Leistungstransistor
- 20V/μs Ausgangs-Anstiegsrate (typisch — für geringes EMV-Rauschen)
Applikationen
- Anzeigen der Kombiinstrumententafeln
- Automobil-Applikationen
BLOCKDIAGRAMM
Typische Applikations-Schaltung
Veröffentlichungsdatum: 2024-01-18
| Aktualisiert: 2024-04-30
