ROHM Semiconductor BD9573MUF-M Automotive-Leistungsmanagement-IC
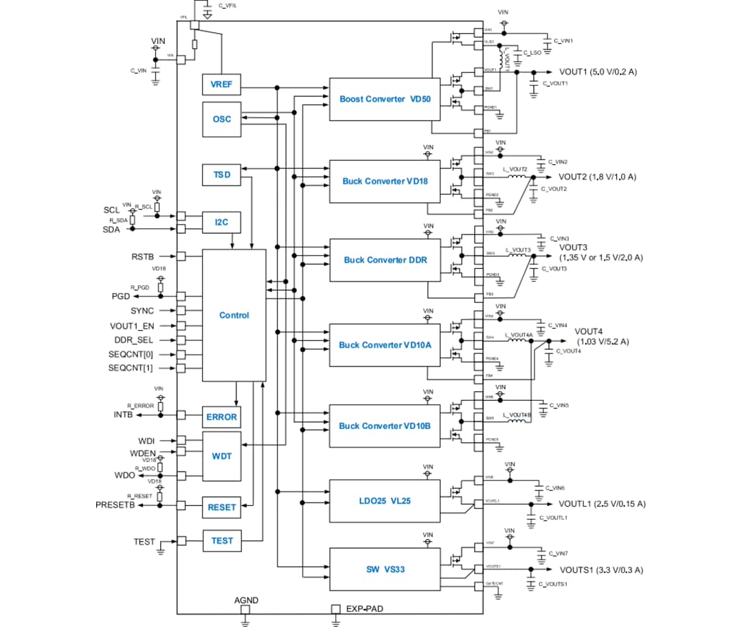
Der Automotive-Leistungsmanagement-IC (PMIC) BD9573MUF-M von ROHM Semiconductor wurde speziell für die Verwendung mit den Prozessoren der Baureihe R-Car D3 von Renesas Electronics für In-Vehicle-Infotainment-Systeme (IVI) und Kombi-Instrumente entwickelt. Der BD9573MUF-M PMIC bietet eine I2C-Steuerung mit einem Statusregister für die Fehlersteuerung. Das Bauteil enthält eine integrierte Ausgangssequenzsteuerung und Unterstützung für den DDR3L/DDR3-Speicher. Zu den integrierten Schutzfunktionen gehören Unterspannungsabschaltung (UVLO), Überstromschutz (OCP), Überspannungsschutz (OVP), Unterspannungsschutz (OVP), Kurzschlussschutz (SCP) und thermische Abschaltung (TSD).Der BD9573MUF-M Automotive-PMIC von ROHM Semiconductor ist in einem VQFN56FV8080-Gehäuse mit benetzbaren Flanken verfügbar. Dieses Bauteil ist AEC-Q100-qualifiziert und verfügt über einen Betriebstemperaturbereich von -40 °C bis +105 °C.
Merkmale
- Gemäß AEC-Q100 Klasse 2 qualifiziert
- Leistungsmanagement für R-car D3 (*E3 , wenn Iout ≦ 5,2 A)
- Eingebaute Ausgangssequenzsteuerung
- Unterstützt DDR3L/DDR3-Speicher
- Anpassbare Ein- und Ausschaltsequenz und Zustandssteuerung
- Leistungsregellogik mit Prozessorschnittstelle und Ereignis-Erkennung
- Eingangsspannungsbereich: 3,0 V bis 3,6 V
- Ausgangsspannungsgenauigkeit: 1,8 %
- Schaltfrequenz: 2,25 MHz ±10 %
- Eingebauter Rückkopplungswiderstand/Kompensationsschaltung/Entladefunktion
- Eingebautes Power-Good (PGD-Klemme)
- Eingebauter fensterartiger Watchdog-Timer (WDT)
- I2C-Steuerung mit einem integrierten Statusregister
- Integrierter UVLO-, SCP-, OVP-, UVP-, OCP- und TSD-Schutz
- Anpassung der Sequenzzeit (SEQCNT1, 2)
- Unterstützt EEPROM
- -40 ºC bis +105 ºC Betriebstemperaturbereich
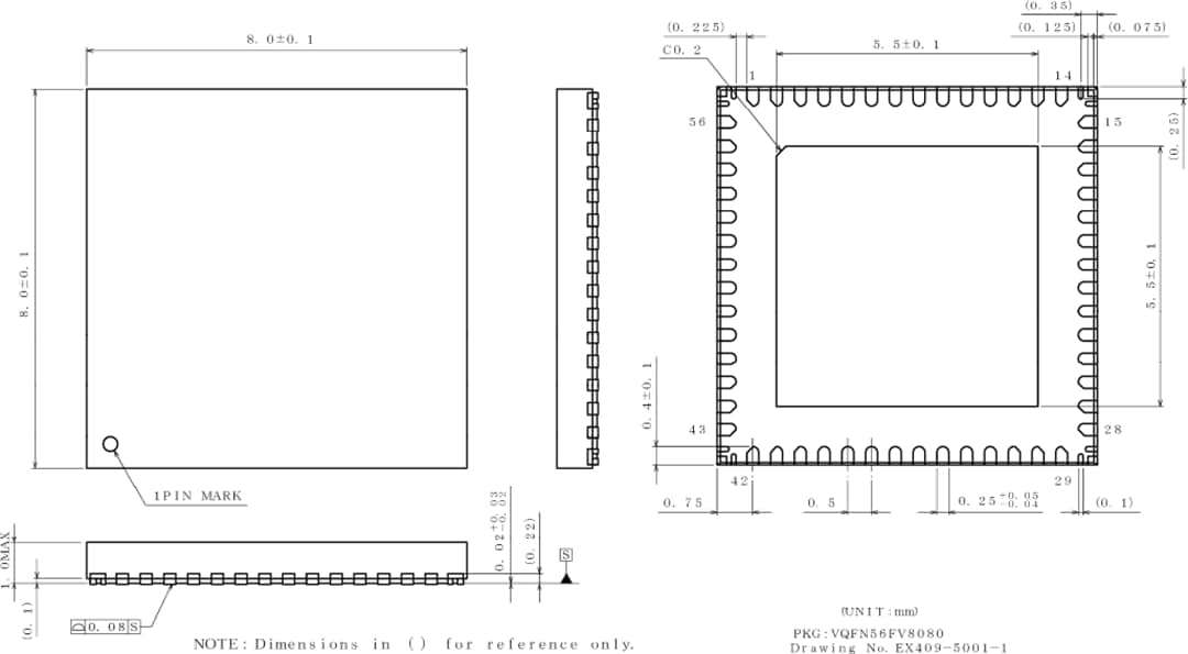
- VQFN56FV8080 - Gehäuse von 8,0 mm x 8,0 mm x 1,0 mm; Rastermaß von 0,5 mm
Applikationen
- In-Vehicle Infotainment (IVI)-Systeme
- Kombiinstrument-Schalttafel
Blockdiagramm
Gehäuseabmessungen
Veröffentlichungsdatum: 2021-11-29
| Aktualisiert: 2022-03-11
