ROHM Semiconductor BM61S40RFV-EVK002 Evaluierungsboard
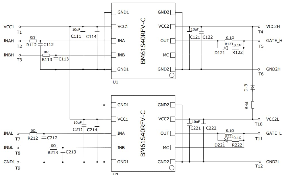
Das Evaluierungsboard BM61S40RFV-EVK002 von ROHM Semiconductor steuert zwei SiC-Leistungsbauteile an und ist zur Evaluierung eines Treibers vom Typ BM61S40RFV-C ausgelegt. Der BM61S40RFV-C IC ist ein Gate-Treiber mit einer Isolationsspannung von 3.750 Vrms. Dieser IC verfügt über die Funktionen Unterspannungssperre (UVLO), aktive Miller-Klemme und Überspannungsschutz (OVP). Das Evaluierungsboard BM61S40RFV-EVK002 von ROHM Semiconductor bietet eine eingangsseitige Stromversorgung von 4,5 V bis 5,5 V und eine ausgangsseitige Versorgungsspannung von 16 V bis 20 V.Merkmale
- Eingangsseitige Stromversorgungsspannung: 4,5 V bis 5,5 V
- Ausgangsseitige Stromversorgungsspannung: 16 V bis 20 V
- Überspannungsschutzfunktion (OVP) auf der Ausgangsseite
- Unterspannungssperre (UVLO) an der Eingangs- und Ausgangsseite
- Aktive Miller-Klemmung für Gate-Steuerung
Maßbild
Schaltplan
Weitere Ressourcen
Veröffentlichungsdatum: 2020-02-18
| Aktualisiert: 2024-09-24
