ROHM Semiconductor BM624xFS Dreiphasen-Lüftermotortreiber
Die Dreiphasen-Lüftermotortreiber BM624xFS von ROHM Semiconductor sind bürstenlose Treiber, die mit einem eingebauten 600-V-PrestomMOSFET ™ als Ausgangstransistor geliefert werden. Dieser Motortreiber zeichnet sich durch einen Bootstrap-Betrieb über einen potentialfreien High-Side-Treiber, der die Diode enthält, aus. Der Motortreiber BM624xFS von ROHM Semiconductor enthält integrierte Schutzschaltungen für Überstrom, Überhitzung, Unterspannungssperre und externen Fehlereingang. Diese Motortreiber bieten ein optimales Motorantriebssystem für eine große Auswahl von Applikationen in Kombination mit den Controllern der Baureihe BD6201x und ermöglichen eine Standardisierung der Motoreinheit. Zu den typischen Applikationen gehören Klimaanlagen, Luftreiniger, Wasserpumpen, Geschirrspüler und Waschmaschinen.Merkmale
- Enthaltene Schutzschaltungen:
- Überstromschutz (OCP)
- Übertemperaturschutz (TSD)
- Unterspannungssperrschutz (UVLO)
- Externer Fehlereingang
- Übernimmt einen integrierten PrestoMOSFET als Ausgangstransistor
- Bootstrap-Betrieb über einen potentialfreien High-Side-Treiber, der eine Diode enthält
- Open-Drain-Fehlerausgang
Technische Daten
- 600-V-Ausgangs-MOSFET-Spannung
- Treiber-Ausgangsstrom (DC): ±1,5 A (max.)
- MOSFET-DC-Einschaltwiderstand: Ausgang von 2,7 Ω (typisch)
- Sinusförmiger Antriebstyp von 180°
- Sperrschichttemperatur: +150 °C (max.)
- SSOP-A54_23-Gehäuse mit den Abmessungen 22 mm x 14,1 mm x 2,4 mm
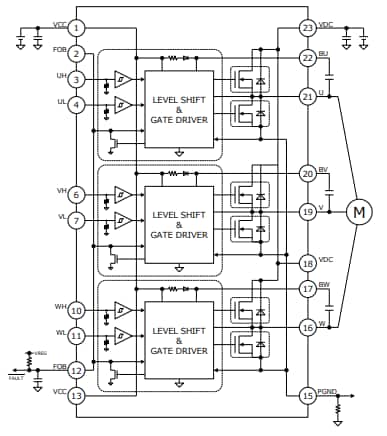
Blockdiagramm
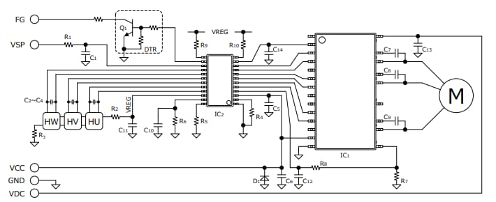
Applikations-Schaltungs-Diagramm
Veröffentlichungsdatum: 2020-04-14
| Aktualisiert: 2024-09-26
