ROHM Semiconductor BM6GD11BFJ-LB Einkanal-Gate-Treiber

Der 1-Kanal-GATE-Treiber BM6GD11BFJ-LB von ROHM Semiconductor mit integrierter Isolierung kann GaN-HEMTs mit hoher Geschwindigkeit antreiben. Dieser GATE -Treiber verfügt über eineRMS- Isolationsspannung 2.500 V Verzögerungszeit maximale Eingangs-/Ausgangsverzögerungszeit 60 ns und eine minimale Eingangs-Pulsbreite 65 ns. Der BM6GD11BFJ-LB GATE -Treiber besteht aus einer Unterspannungs- SperrFunktion (UVLO) auf der Eingangsseite (zwischen VCC1 und GND1) und der Ausgangsseite (zwischen VCC2 und GND2). Dieser GATE-Treiber ist im SOP-JW8 Paket in den Abmessungen 4,9 mm x 6 mm x 1,65 mm verfügbar. Der BM6GD11BFJ-LB Gate-Treiber wird in Industrieanlagen, GaN-HEMT-Gate-Treibern, AC-Adaptern und Server-Stromversorgungsapplikationen verwendet.

Merkmale

  • Integrierte galvanische Isolierung
  • Funktion (UVLO)
  • Isolationsspannung 2.500 VRMS
  • 60 ns Maximale Eingangs-/Ausgangs-Verzögerungszeit
  • 65 ns minimale Eingangs-Pulsbreite

Applikationen

  • Industrieanlagen
  • GaN HEMT GATE Laufwerke
  • AC-Adapter
  • Server-Netzteile

Grundlegendes Applikations-Schaltungsdiagramm (High-Side-GaN-HEMT-Treiber)

Applikations-Schaltungsdiagramm - ROHM Semiconductor BM6GD11BFJ-LB Einkanal-Gate-Treiber

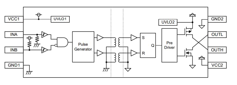
Blockdiagramm

Blockdiagramm - ROHM Semiconductor BM6GD11BFJ-LB Einkanal-Gate-Treiber
Veröffentlichungsdatum: 2025-05-15 | Aktualisiert: 2025-06-26