ROHM Semiconductor BM81810MUF-ME2 Leistungsmanagement-IC

Der BM81810MUF-ME2 Leistungsmanagement-IC von ROHM Semiconductor enthält einen VCOM-Verstärker, eine Gate-Pulsmodulation (GPM) und einen integrierten EEPROM. Dieser integrierte Leistungsmanagement-Schaltkreis (PMIC) verfügt über eine positive Ladungspumpe für den VGH -Ausgang und eine negative Ladungspumpe für den VGL -Ausgang. Der BM81810MUF-ME2 IC enthält eine Unterspannungssperre, eine thermische Abschaltung, einen Überstromschutz, einen Überspannungsschutz und Unterspannungsschutzschaltungen. Dieser PMIC arbeitet bei einem Temperaturbereich von -40 °C bis 105 °C, einem Standby-Strom von 2 μA und einem Eingangsspannungsbereich von 2,6 V bis 5,5 V. Typische Anwendungen sind die Fahrzeugnavigation, die Mittelkonsole im Fahrzeug und das Kombiinstrument.

Merkmale

  • AEC-Q100-qualifiziert
  • Alternative synchrone DC/DC-Abwärtswandler oder LDO für VDD -Ausgang
  • Synchroner DC/DC-Aufwärtswandler für AVDD -Ausgang mit integriertem Lastschalter
  • VCOM Verstärker mit 7-Bit-Kalibrator
  • Positive Ladungspumpe für VGH -Ausgang
  • Negative Ladungspumpe für VGL -Ausgang
  • VGH- und VCOM-Temperaturkompensation
  • Gate-Impulsmodulation (GPM)
  • I2C-Schnittstellen-Ausgangsspannungs-Einstellungs-Steuerfunktion (integrierter EEPROM)
  • Schaltfrequenz-Schaltfunktion
  • Schutzschaltungen:
    • Unterspannungssperre
    • Thermische Abschaltung
    • Überstromschutz
    • Überspannungsschutz
    • Unterspannungsschutz

Technische Daten

  • Eingangsspannungsbereich von 2,6 V bis 5,5 V
  • Betriebstemperaturbereich: -40 °C bis +105 °C
  • 2 μA Standby-Strom
  • 5 V bis 17 V AVDD Ausgangsspannungsbereich
  • Ausgangsspannungsbereich: 8 V bis 35 V VGH
  • Ausgangsspannungsbereich: 4 V bis -14 V VGL
  • Ausgangsspannungsbereich: 0,9 V bis 3,4 V VDD
  • 200 mA VCOM-Ausgangsstrom
  • Schaltfrequenz: 525 kHz, 1,05 MHz und 2,1 MHz

Applikationen

  • TFT-LCD-Panels:
    • Fahrzeugnavigation
    • Mittelpaneel im Fahrzeug
    • Kombiinstrumente

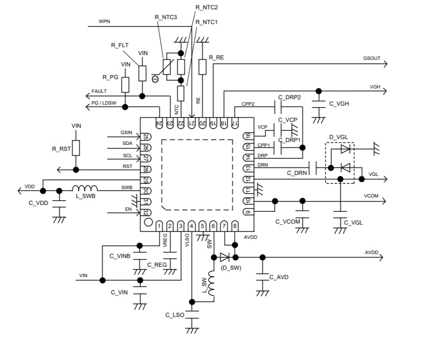
Applikations-Schaltung

Applikations-Schaltungsdiagramm - ROHM Semiconductor BM81810MUF-ME2 Leistungsmanagement-IC
Veröffentlichungsdatum: 2021-02-23 | Aktualisiert: 2024-02-08