ROHM Semiconductor ML86640-EVA Evaluierungsboard
Das Evaluierungsboard ML86640-EVA von ROHM Semiconductor wurde entwickelt, um die Evaluierung und Entwicklung von Anwendungen zu erleichtern, die den Video-Encoder LAPIS ML86640TB verwenden – ein äußerst leistungsfähiges Gerät zur Codierung von Videosignalen in verschiedenen Formaten. Das Bauelement ML86640TB eignet sich hervorragend für Anwendungen in der Automobil-, Industrie- und Unterhaltungselektronik und bietet hochwertige Videokodierung bei effizientem Stromverbrauch. Das Board ML86640-EVA bietet eine einfach zu bedienende Plattform zum Testen der Videocodierfähigkeiten des ML86640TB, das mehrere Videostandards und -Auflösungen unterstützt und eine nahtlose Integration in Videoverarbeitungssysteme ermöglicht.Das Evaluierungsboard ML86640-EVA von ROHM Semiconductor ist mit den notwendigen Schnittstellen für den Anschluss an Videoeingangs- und -ausgangsgeräte ausgestattet und enthält Software-Tools, die den Entwicklern bei der Feinabstimmung der Videoparameter helfen und so eine optimale Leistung gewährleisten. Mit seinem kompakten Design und den umfassenden Funktionen vereinfacht das Board ML86640-EVA den Entwicklungsprozess für Videoanwendungen und ist damit eine ideale Lösung für Entwickler, die den Video-Encoder ML86640TB in bestehende Systeme integrieren möchten.
Merkmale
- Bewertet den LAPIS Video-Encoder ML86640TB
- Reset und I2C-Steuerung
- Funktionen zur Audioverarbeitung
- Flexible Schnittstelle
- Niedriger Stromverbrauch
- Hochwertige Ausgabe
- Benutzerfreundliches Design
- Größe: 125 mm x 107 mm x 28 mm (BxTxH)
Applikationen
- Fahrzeugnavigationssysteme
- Audioanzeigen
- Kameras im Fahrzeug
- Festplattenrekorder
- Video-Gegensprechanlagen
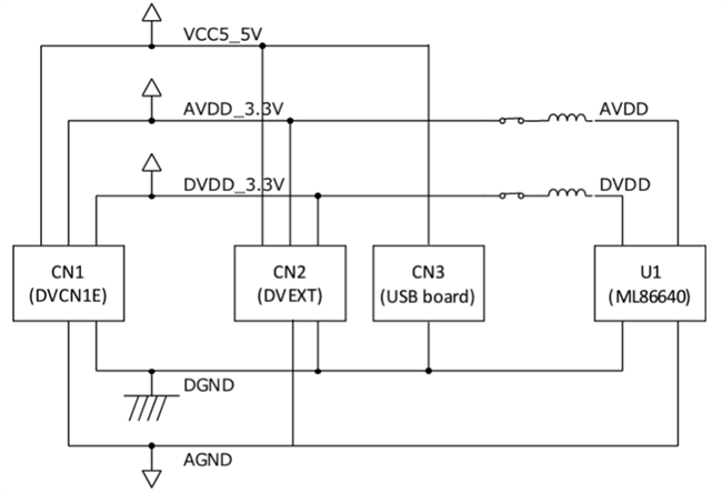
Schaltschema
Veröffentlichungsdatum: 2024-12-18
| Aktualisiert: 2025-01-23
