ROHM Semiconductor RB-D62Q2035TD20 Referenzboard
Das Referenzboard RB-D62Q2035TD20 von ROHM Semiconductor ist mit dem 16-Bit-Mikrocontroller LAPIS ML62Q2035 ausgestattet und bietet eine zuverlässige Plattform für Entwicklung und Evaluierung. Dieser Mikrocontroller wurde für niedrigen Stromverbrauch und hohe Leistung entwickelt und ist damit ideal für viele Embedded-Anwendungen. Auf dem Referenzboard sind wichtige Peripheriegeräte wie ADCs, UART, SPI, I2C und GPIOs integriert, die Flexibilität für verschiedene Schnittstellenanforderungen bieten. Das kompakte Design und die Debugging-Funktionen des Boards vereinfachen den Prototyping- und Entwicklungsprozess. Gleichzeitig ist es dank seiner Unterstützung für einen energieeffizienten Betrieb hervorragend für batteriebetriebene und Internet of Things (IoT)-Geräte geeignet. Mit umfassender Dokumentation und Software-Ressourcen ist das Board RB-D62Q2035TD20 eine ausgezeichnete Wahl für Ingenieure und Entwickler, die an Unterhaltungselektronik, industrieller Automatisierung, Smart Home-Lösungen und mehr arbeiten.Das Bauelement RB-D62Q2035TD20 kann verwendet werden, um den Umgang mit der MCU ML62Q2035 zu erlernen, wofür der Benutzer ggf. zusätzliche externe Komponenten bereitstellen muss. Durch die Verwendung des BauelementsRB-D62Q2035TD20 zusammen mit dem EASE1000 V2 On-Chip-Emulator und der Software-Entwicklungsumgebung kann der Benutzer Software entwickeln und den Flash debuggen/programmieren. Der Anschluss eines externen Netzteils an das Referenzboard RB-D62Q2035TD20 ermöglicht außerdem eine unabhängige Nutzung ohne Anschluss eines EASE1000 V2.
Merkmale
- 16-bit-Mikrocontroller LAPIS ML62Q2035 mit 20 Pins und TSSOP-Gehäuse im Lieferumfang enthalten
- Mit dem verbundenen Steckverbinder auf EASE1000 V2 montiert
- Durchgangsbohrungen für den Anschluss der LSI-Pins an externe Peripheriekarten
- Wählbare Stromversorgung, die über den On-Chip-Emulator EASE1000 V2 oder CN1_6pin
- Montiert mit einer Ladepumpe zur Stromerzeugung
- Montierte LED (P05)
- Fußmuster mit Komponenten für A/D-Wandler vom Typ Sukzessive Approximation ist verfügbar (P14, P15, P16, P17)
- Niedriger Stromverbrauch
- Integrierte ADCs, UART, SPI, I2C, und GPIOs
- Fehlersuche und Programmierschnittstellen
- Flexible Energieoptionen
- Versorgungsspannungsbereich: 4,5 V bis 5,5 V
- Größe: 56 mm x 94 mm x 15 mm (BxTxH)
Applikationen
- Industrieautomatisierung
- IoT-Geräte
- Unterhaltungselektronik
- Batteriebetriebene Systeme
- Smart Home-Anwendungen
- Messung und Erkennung
- Bildungs- und Entwicklungsprojekte
Übersicht
Leistungsschaltung
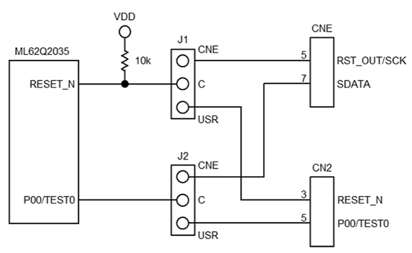
EASE1000 V2-Schnittstelle
PCB-Layout
Veröffentlichungsdatum: 2025-01-10
| Aktualisiert: 2025-08-19
