ROHM Semiconductor RB-D62Q2522GD40 Referenzboard
Das Referenzboard RB-D62Q2522GD40 von ROHM Semiconductor ist eine robuste Entwicklungsplattform mit dem LAPIS CMOS 16-Bit-RISC-Mikrocontroller ML62Q2522, der für verschiedene Embedded-Anwendungen zugeschnitten ist. Dank des geringen Stromverbrauchs, der effizienten Verarbeitung und der integrierten Peripheriegeräte ist dieses Board ideal für Automobilsysteme wie Onboard-Ladegeräte, Batteriemanagementsysteme und DC-DC-Wandler. das Bauelement RB-D62Q2522GD40 von ROHM Semiconductor unterstützt außerdem industrielle Geräte für die Fabrikautomatisierung/-steuerung und Unterhaltungselektronik, die intelligente und energieeffiziente Designs erfordern. Das Board RB-D62Q2522GD40 ist mit den Entwicklungstools von ROHMkompatibel und vereinfacht das Prototyping, Testen und Optimieren, so dass Ingenieure innovative und zuverlässige Lösungen für den Automobil-, Industrie- und Verbraucherbereich entwickeln können.Merkmale
- CMOS 16-bit-RISC-MCU ML62Q2522 mit 40 Pins und WQFN-Gehäuse im Lieferumfang inbegriffen
- Montiert mit dem verlinkten Anschluss an EASE1000 V2
- Durchgangsbohrungen für den Anschluss der LSI-Pins an externe Peripheriekarten
- Wählbare Stromversorgung, die über den On-Chip-Emulator EASE1000 V2 oder CN1_3pin
- Eingebauter 32,768 kHz Quarz
- Montierte LEDs (P20, P21, P22)
- Foot-Modell mit Komponenten für A/D-Wandler vom Typ sukzessive Approximation ist verfügbar (P30, P31, P32, P33)
- Niedriger Stromverbrauch
- Interner Flash-Speicher und RAM
- Flexible E/A- und Kommunikationsschnittstellen
- Echtzeitverarbeitung
- Betriebsspannungsbereich: 1,8 V bis 5,5 V
- Kompakter Formfaktor, Größe: 56 mm x 94 mm x 15 mm (BxTxH)
Applikationen
- Unterhaltungselektronik
- Industrie-Ausstattung
- Automobilsysteme
- Medizinische Geräte
- Intelligente Haushaltsgeräte
Übersicht
Stromkreis
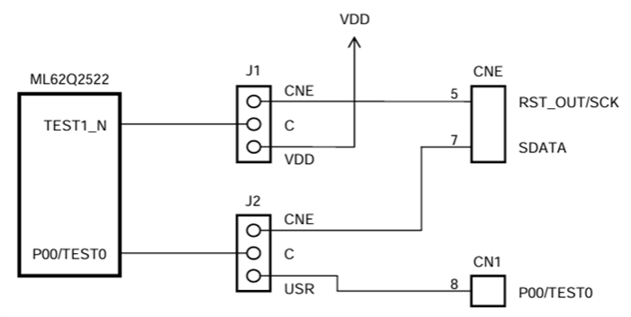
EASE1000 V2 Schnittstelle
PCB-Layout
Veröffentlichungsdatum: 2024-12-30
| Aktualisiert: 2025-01-07
