ROHM Semiconductor RB-D62Q2534TB48 Referenzboard
Das ROHM Semiconductor RB-D62Q2534TB48 Referenzboard ist eine vielseitige Entwicklungsplattform, die vom LAPIS ML62Q2534 CMOS-16-Bit-RISC-Mikrocontroller angetrieben wird. Dieses Board ist für ein effizientes Prototyping und Evaluierung ausgelegt und eignet sich hervorragend für Applikationen, wie z. B. Automotive-Systeme, Hauptwechselrichter, On-Board-Ladegeräte und Batteriemanagementsysteme. Aufgrund der robusten Verarbeitungsfähigkeiten, des geringen Stromverbrauchs und der integrierten Peripherie eignet sich das Board hervorragend für die Industrieautomatisierung und intelligente Unterhaltungselektronik. Der RB-D62Q2534TB48 ist mit den fortschrittlichen Development Tools von ROHM kompatibel und optimiert den Designprozess und ermöglicht Ingenieuren, innovative, energieeffiziente und zuverlässige Lösungen für moderne Embedded-Systeme zu erstellen.Merkmale
- Wird mit dem LAPIS ML62Q2534 CMOS 16-Bit-RISC-MCU, 48-Pin-TQFP geliefert
- Mit dem verbundenen Steckverbinder auf EASE1000 V2 montiert
- Durchsteckmontage für den Anschluss der Pins von LSI an externe Peripherie-Boards
- Wählbare Stromversorgung, die vom On-Chip-Emulator EASE1000 V2 oder CN1_3pin versorgt wird
- Montierter 32.768KHz-Quarz
- Montierte LEDs (P20, P21, P22)
- Fußmuster mit Bauelemente für Analog-Digital-Wandler mit sukzessiver Approximation ist verfügbar (P30, P31, P32, P33)
- Geringer Stromverbrauch
- Interner Flash-Speicher und RAM
- Flexible I/O- und Kommunikationsschnittstellen
- Echtzeitverarbeitung
- Betriebsversorgungsbereich: 1,8 V bis 5,5 V
- Kompakter Formfaktor, Abmessungen: 56 mm x 94 mm x 15 mm (B x T x H)
Applikationen
- Automobilsysteme
- Industrie-Ausstattung
- Unterhaltungselektronik
Übersicht
Leistungsschaltung
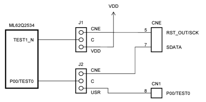
EASE1000 V2-Schnittstelle
PCB-Layout
Veröffentlichungsdatum: 2024-12-30
| Aktualisiert: 2025-01-07
