Samtec PRF92 Präzisions-Kabelsteckverbinder
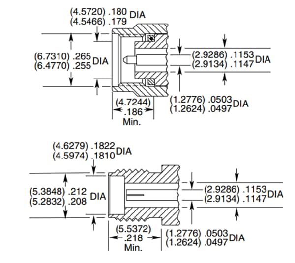
Samtec PRF92 Präzisions-Kabelsteckverbinder sind 2,92-mm-Präzisions-HF-Verbindungen, die eine Leistung von bis zu 40 GHz und eine Nennimpedanz von 50 Ω bieten. Diese Kabelsteckverbinder sind mit halbstarren und verlustarmen flexiblen Kabeln ausgelegt. Die PRF92 Präzisions-Kabelsteckverbinder von Samtec verfügen über eine Kompressionsmontagebuchse mit einem Flansch mit zwei Bohrungen in verschiedenen Boardstärken.Merkmale
- 2,92 mm
- Leistung von bis zu 40 GHz
- Nennimpedanz: 50 Ω
- Halbstarre und verlustarme flexible Kabel
Schnittstellenstandard
Veröffentlichungsdatum: 2022-05-04
| Aktualisiert: 2022-05-10
