ROHM Semiconductor BD34302EKV MUS-IC™ Baureihe 32-Bit Stereo Audio DAC

Der 32-Bit-Stereo-Audio-DAC BD34302EKV der Baureihe MUS-IC™ von ROHM Semiconductor wurde für eine hochwertige Audioqualität entwickelt, die ROHM's Design-Technologie für außergewöhnliche Klangqualität integriert. Der DWA verbessert die THD-Leistung und liefert eine höhere Auflösung sowie eine höhere und natürlichere Klangqualität im monauralen HD-Modus. Darüber hinaus verfügt der BD34302EKV über eine automatische Modusschaltfunktion, die es Benutzern ermöglicht, einfach zwischen PCM/DSD und verschiedenen Abtastfrequenzen zu schalten.

Merkmale

  • MUS-IC-Baureihe
  • SNR: 130 dB (typ.), THD+N: -115 dB (typ.)
  • Abtastfrequenz: 32 kHz bis 1.536 kHz
  • DSD: 2,8 MHz, 5,6 MHz, 11,2 MHz und 22,5 MHz
  • Unterstützt Stereo-Modus (2 Kanäle), Mono-Modus (1 Kanal) und monoauralen High-Definition-Modus (1 Kanal)
  • 2 Arten von digitalen FIR-Filtern
  • 2 Arten von DWA-Algorithmen
  • Automatischer Moduswechsel
  • Unterstützung für Multi-Bit-ΔΣ-Dateneingabe
  • 4 wählbare Geräteadressen (38h/3Ah/3Ch/3Eh)
  • HTQFP64BV-Gehäuse 12,0 mm x 12,0 mm x 1,0 mm

Applikationen

  • Intelligente Lautsprecher
  • Audio mit hoher Auflösung
  • CD/SACD-Player
  • Digital Audio Player (DAP)
  • USB-DAC und weitere

Technische Daten

  • Versorgungsspannungsbereich von AVCC: 4,5 V bis 5,5 V
  • Versorgungsspannungsbereich von DVDD: 1,4 V bis 1,6 V
  • Versorgungsspannungsbereich von DVDDIO: 3,0 V bis 3,6 V
  • SNR: 130 dB (typ.)
  • THD+N: -115 dB (typ.)
  • Dynamischer Bereich: 130 dB (typ.)
  • Betriebstemperaturbereich: -40 °C bis +85 °C

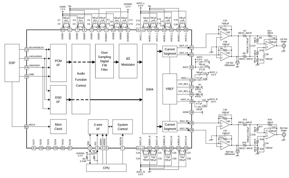
Typische Applikationsschaltung

Applikations-Schaltungsdiagramm - ROHM Semiconductor BD34302EKV MUS-IC™ Baureihe 32-Bit Stereo Audio DAC

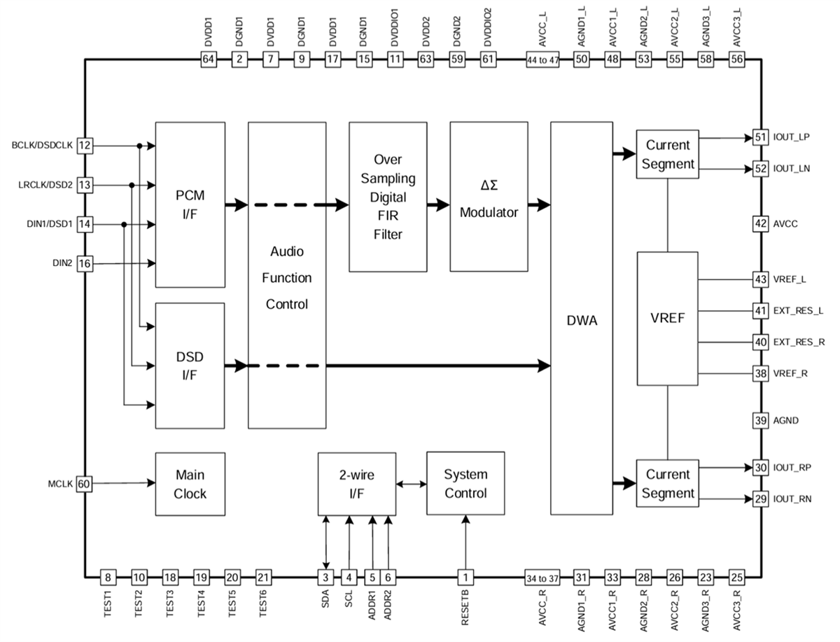
Blockdiagramm

Blockdiagramm - ROHM Semiconductor BD34302EKV MUS-IC™ Baureihe 32-Bit Stereo Audio DAC
Veröffentlichungsdatum: 2025-01-06 | Aktualisiert: 2025-07-17