Texas Instruments DS560DF410 4-Kanal Multi-Rate Retimer
Der DS560DF410 4-Kanal Multi-Rate Retimer von Texas Instruments wird mit einer integrierten Signalkonditionierung geliefert. Das Bauteil erweitert die Reichweite und Robustheit von langen, verlustreichen, durch Nebensignaleffekte beeinträchtigten, seriellen Hochgeschwindigkeits-Verbindungen. Jeder Kanal im DS560DF410 sperrt unabhängig von Symbolraten (NRZ und PAM4) in einem kontinuierlichen Bereich von 19,6 bis 28,9 GBd oder einer unterstützten Subrate. Die integrierte CDR-Funktion eignet sich hervorragend für optische Frontanschluss-Modul-Applikationen, um die seriellen Hochgeschwindigkeitsdaten zu aktualisieren und das Jitter-Budget zurückzusetzen. Diese Funktionen ermöglichen einen FED-Pass-Through (Forward Error Correction) der einzelnen Leitungen. Darüber hinaus unterstützt der DS560DF410 die automatische Spurratenschaltung für eine CDR-Verriegelung von bis zu fünf Kombinationen aus Modulationstypen und Baudraten ohne Host-Eingriff.Die erweiterten Entzerrungsfunktionen des DS560DF410 von Texas Instruments umfassen einen kontinuierlich adaptiven CTLE (Continuous-Time Linear Equalizer), einen DFE (Decision Feedback Equalizer), einen RX FFE (Feed-Forward Equalizer) und einen programmierbaren 4-Tap TX FFE-Filter (Feed-Forward Equalizer) mit geringem Jitter. Diese Funktionen ermöglichen eine Reichweitenerweiterung für verlustreiche Verbindungen, beispielsweise DAC-Kabel (Direct-Attach Copper) und Rückwandplatten mit mehreren Steckverbindern und Nebensignaleffekten. Der DS560DF410 verfügt über ein Bit-Mux- und De-Mux-Getriebe für eine einfache PAM4-zu-NRZ- oder NRZ-zu-PAM4-Umwandlung zwischen Host und Modul. Das Schaltgetriebe kann ein Paar NRZ-Eingänge bis zu 28,9 GBd zu einem PAM4-Ausgang von 28,9 GBd aggregieren und einen einzelnen PAM4-Eingang von 28,9 GBd in ein Paar NRZ-Ausgänge von 28,9 GBd deaggregieren.
Der DS560DF410 kann entweder über I2C oder über ein externes EEPROM konfiguriert werden. Bis zu 16 Bauteile können einen einzelnen EEPROM teilen.
Merkmale
- Vierkanaliger Multiprotokoll-Retimer mit integrierter Signalkonditionierung
- Alle Kanäle sperren unabhängig von PAM4- und NRZ-Datenraten von 19,6 bis 28,9 GBd (einschließlich div-by-2 und div-by-4 Subraten)
- Geeignet für bis zu CEI-56G, Ethernet™ (400 GbE), Fiber Channel (64 GFC), InfiniBand™ (HDR) und CPRI/eCPRI PCB, Kupferkabel und optische Anwendungen.
- Niedrige Latenz: < 2000 ps (typisch) bei 26,5625 GBd
- Kontinuierlich adaptiver, zeitlinearer Equalizer (CTLE), RX FFE (Feed-Forward Equalizer) und DFE (Decision Feedback Equalizer) zur Unterstützung eines Kanalverlusts von 30+dB bei 13,28 GHz
- Automatische Spurratenumschaltung für CDR sperrt bis zu fünf verschiedene Kombinationen von Baudraten und Modulationsarten
- Integrierter 2×2 Koppelpunkt
- Einstellbarer 4-Tap TX FFE-Filter
- Unterstützung des Getriebemodus (NRZ/PAM4-Bit-Mux/De-Mux, NRZ/PAM4-Serialisierer/Deserialisierer)
- On-Chip-EOM (Eye Opening Monitor), PRBS-Generator und PRBS-Prüfer für Debugging
- Duale 1,8 V und 1,2 V Versorgungen
- Betriebstemperaturbereich: -40 °C bis +85 °C
- BGA-Gehäuse von 7,65 mm x 7,65 mm mit integrierten AC-Kopplungskondensatoren
Applikationen
- Aktive elektrische Kabel (AEC) (SFP, SFP-DD, QSFP, QSFP-DD, OSFP)
- Rückwandplatinen-(KR) und Mittelplatinen-C2C-Anschlusseinheit-Schnittstelle (AUI)-Reichweitenerweiterung
- Frontanscluss C2M AUI (Attachment Unit Interface) Jitter-Bereinigung
- Verdoppelung der Geschwindigkeit (Getriebe) mit NRZ-zu-PAM4-Aggregation und De-Aggregation
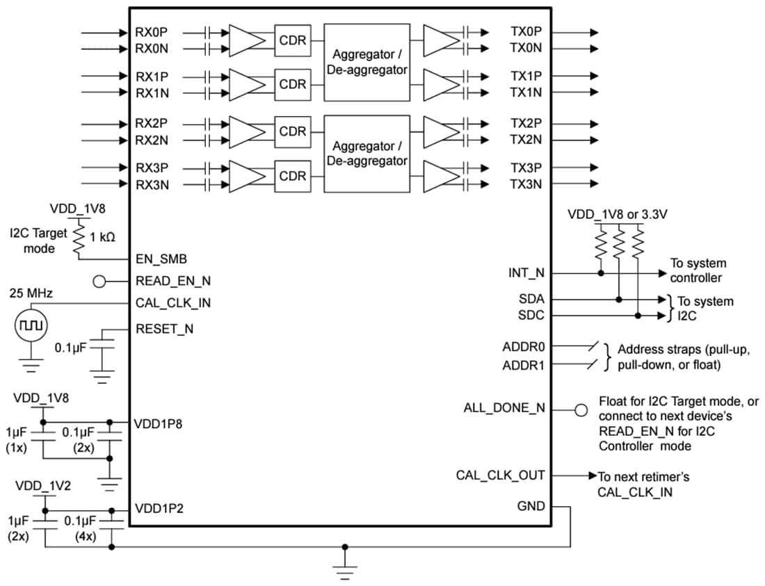
Vereinfachter Schaltplan
