NXP Semiconductors TEA2376xT Konfigurierbare verschachtelte PFC-Controller

NXP Semiconductors TEA2376xT Konfigurierbare verschachtelte PFC-Controller sind digitale Zweiphasen-Bauteile für Netzteile mit hohem Wirkungsgrad. Die PFC-Controller arbeiten im diskontinuierlichen Leitungsmodus oder im quasi-resonanten Modus mit Talschaltung zur Optimierung des Wirkungsgrads. Die TEA2376xT Bauelemente ermöglichen die Erstellung eines verschachtelten Leistungsfaktor-Controllers, der mit einer geringen Anzahl externer Bauelemente einfach zu entwerfen ist. Die digitale Architektur basiert auf einer konfigurierbaren Hochgeschwindigkeits-Hardware-Zustandsmaschine, die eine zuverlässige Echtzeitleistung gewährleistet. Um spezifische Applikationsanforderungen zu erfüllen, können viele Betriebs- und Schutzeinstellungen des PFC-Controllers angepasst werden, indem neue Einstellungen in das Bauteil mit I2C während der Stromversorgungsentwicklung geladen werden. Diese Bauteile sind in SO10- oder SO14-Kunststoffgehäusen mit niedrigem Profil und schmaler Gehäusebreite (3,9 mm) erhältlich.

Für einen hohen Leistungsfaktor und einen niedrigen Klirrfaktor (THD) wird die Formung eines Eingangsstroms verwendet. Ein Sperrfilter ermöglicht ein schnelleres Einschwingverhalten, indem die Netzfrequenzkomponente im Regelkreis unterdrückt wird, während gleichzeitig ein niedriger THD beibehalten wird. Für einen Betrieb mit niedriger Last und gutem Wirkungsgrad sind ein Phasenabwurf und ein Burst-Modus-Betrieb enthalten. Um die Effizienz- und Standby-Stromregelungen von Energy Star, dem Energieministerium, der Ökodesign-Richtlinie der Europäischen Union, den europäischen Verhaltenskodex und anderen Richtlinien zu erfüllen, wird der Stromverbrauch des ICs im Burst-Modus-Betrieb reduziert.

Der TEA2376xT enthält viele Schutzfunktionen, wie z. B. internen und externen Übertemperaturschutz (OTP), Überstromschutz (OCP), dualer Überspannungsschutz (OVP), Einschaltstromschutz (ICP), Pin-offen, Pin-Kurzschluss-Sicherung und Phasenausfallschutz. Die Schutzfunktionen können unabhängig und mit programmierbaren Parametern konfiguriert werden. Die TEA2376xT konfigurierbaren verschachtelten PFC-Controller von NXP Semiconductor ermöglichen ein einfaches Design, einen hohen Wirkungsgrad und eine zuverlässige verschachtelte PFC für Leistungsstufen bis zu 1.000 W.

Merkmale

  • Verschachtelte PFC-Controller in einem SO10- (TEA2376AT) oder SO14-Kunststoffgehäuse (TEA2376BT und TEA2376DT), mit einer Gehäusebreite von 3,9 mm
  • Programmierbarer Phasenabwurf und Burst-Modus-Betrieb
  • Überspannungsschutz mit zwei Ausgängen
  • Einschaltstromschutz
  • Hoher Leistungsfaktor (PF) und niedriger Klirrfaktor (THD), auch bei hohen Eingangsspannungen
  • Viele Parameter können während der Evaluierung mit einer benutzerfreundlichen grafischen Benutzeroberfläche (GUI) konfiguriert werden
  • Gute Phasensteuerung über den gesamten Eingangsspannungsbereich
  • Geräuscharm
  • Tal-/Nullspannungsschaltung für minimale Schaltverluste
  • Hoher Wirkungsgrad von hoher bis mittlerer Last und niedriger Last durch Phasenabwurf und Burst-Modus-Betrieb
  • Schutzfunktionen können unabhängig auf Verriegelung, sicheren Neustart oder Verriegelung nach mehreren Wiederanlaufversuchen eingestellt werden
  • Dual-Ausgangsüberspannungsschutz (OVP)
  • Versorgungsunterspannungsschutz (UVP) und Überspannungsschutz (OVP)
  • Interner und externer Übertemperaturschutz (OTP)
  • Überstromschutz (OCP)
  • Einschaltstromschutz (ICP)
  • Brown-in/Brown-out-Schutz
  • Offene Pin-Kurzschluss-Sicherung
  • Spulen-Kurzschluss-Sicherung
  • Ausgangsdioden-Kurzschluss-Sicherung
  • Offener Regelkreisschutz
  • Phasenausfallschutz
  • Weitere Funktionen für den TEA2376DT
    • Power-Good-Ausgang und ein Burst-Modus-Eingangspin
    • Live-Überwachung von (internen) IC-Statuswerten im Laufe der Zeit mit Hilfe der benutzerfreundlichen GUI ähnlich dem Oszilloskop-Lesen
    • I2C-Kommunikation während des Betriebs

Applikationen

  • HD- und U-HD-Fernseher
  • Server
  • Desktops und All-in-One-PCs
  • Spielkonsolen
  • Hochleistungsadapter
  • 5 G-Stromversorgungen
  • Home Audio

Datenblätter

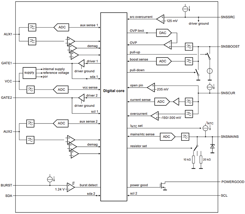
TEA2376AT/TEA2376BT Blockdiagramm

Blockdiagramm - NXP Semiconductors TEA2376xT Konfigurierbare verschachtelte PFC-Controller

TEA2376DT Blockdiagramm

Blockdiagramm - NXP Semiconductors TEA2376xT Konfigurierbare verschachtelte PFC-Controller
Veröffentlichungsdatum: 2024-04-02 | Aktualisiert: 2024-04-09