Semtech GS2972 3G/HD/SD-SDI Serialisierer
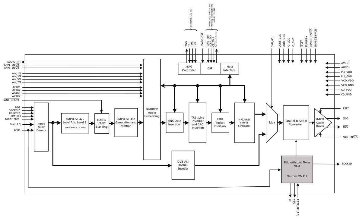
Semtech GS2972 3G/HD/SD-SDI Serialisierer generieren ein SMPTE ST 424, SMPTE ST 292, SMPTE ST 259-C oder DVB-ASI-kompatibles, serielles, digitales Ausgangssignal. Dank der integrierten Narrow-BW-PLL kann das Bauteil parallele Takte mit hohem Eingangsjitter akzeptieren. Die Bauteile bieten einen SMPTE-konformen, seriellen Digitalausgang. Das Gerät kann in vier grundlegenden, vom Benutzer wählbaren Modi betrieben werden: SMPTE-Modus, DVB-ASI-Modus, Data-Through-Modus oder Standby-Modus.Merkmale
- Betrieb bei 2,970 Gbit/s, 2,970/1,001 Gbit/s, 1,485 Gbit/s, 1,485/1,001 Gbit/s und 270 Mbit/s
- Unterstützt SMPTE ST 425 (Level A und Level B), SMPTE ST 424, SMPTE ST 292, SMPTE ST 259-C und DVB-ASI
- Integrierter Kabeltreiber
- Integrierte rauscharme VCO
- Integrierte PLL mit schmaler Bandbreite
- Integrierter Audio-Embedder für bis zu 8 Kanäle mit 48-kHz-Audio
- Einfügen zusätzlicher Daten
- Optionale Konvertierung von SMPTE ST 425 Level A zu Level B für 1080p 50/60 4:2:2 10-Bit
- Paralleler Datenbus, wählbar als 20-Bit oder 10-Bit
- SMPTE-Videoverarbeitung, einschließlich TRS-Berechnung und -Einfügung, Zeilennummernberechnung und -einfügung, zeilenbasierte CRC-Berechnung und -Einfügung, illegale Code-Neuzuordnung, SMPTE ST 352 Nutzlast-ID-Generierung und -Einfügung
- GSPI-Hostschnittstelle
- +1,2 V digitales Core-Netzteil, +1,2 V und analoge +3,3-V-Netzteile sowie wählbares +1,8 V oder +3,3-V-E/A-Netzteil
- -20ºC bis +85ºC Betriebstemperaturbereich
- Betrieb mit geringem Stromverbrauch (typischerweise 400 mW, einschließlich Kabeltreiber)
- Kleines 11 mm x 11 mm 100-Ball BGA-Gehäuse
- Bleifrei und RoHS-konform
Applikationen
- 1080p 50/60 Kamera/Camcorder
- Konverter von Dual-Link (HD-SDI) zu Single-Link (3G-SDI).
- Multiformat-Audio-Embedder-Modul
- Digitaler Multiformat-Videorecorder/Videoserver
- Multiformat-Präsentationsumschalter (Ausgangsstufe)
- 3 Gbit/s SDI-Testsignalgenerator
Blockdiagramm
Veröffentlichungsdatum: 2022-11-03
| Aktualisiert: 2023-05-18
