Gigavac GX21 150A Contactors
Gigavac GX21 150A Contactors offer a 12VDC to 800VDC voltage range, IP67/69K environmental seal, and a +85°C maximum operating temperature rating. These contacts are hermetically sealed and feature stand-up mounting with an integrated safety cover; there is no need for specially routed power cables, bus bars, or lugs. The high-efficiency dual DC coils provide low 12VDC or 24VDC continuous coil power with no EMI emissions or crosstalk on the system control power, making these contactors ideal for battery-powered systems. Gigavac GX21 150A Contactors are not position-sensitive and can be mounted in any position for easy installation.Features
- Stand-up mounting with integrated safety cover
- Rugged EPIC® seal rated to +175°C
- Hermetically sealed
- High-efficiency dual DC coils
- Built-in coil suppression for all DC coils
- Stainless steel nuts and mounting inserts
- Not position-sensitive
- Suitable for battery-powered systems
Specifications
- UL 1604 for Class I and II, Div 2, and Class III for use in hazardous locations
- IP67 for temporary water immersion for 30 minutes
- IP69K for pressure washing
- ISO 8846 for protection against ignition around flammable gasses
- SAE J1171 for external ignition protection
- 150A continuous current rating
- 1M cycles of mechanical life
- 0.4mΩ maximum contact resistance
- -55°C to +85°C operating temperature range
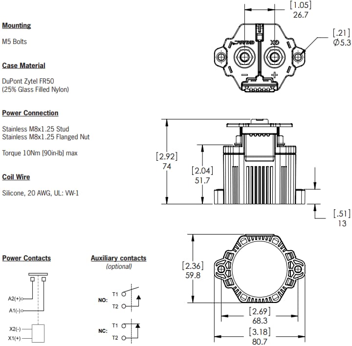
Dimensions
Veröffentlichungsdatum: 2024-11-19
| Aktualisiert: 2024-12-06
