Allegro MicroSystems ACS71010 Hall-Effekt-Stromsensoren
Die Stromsensoren mit Hall-Effekt ACS71010 von Allegro MicroSystems sind vollständig in ein werkseitig abgestimmtes SOICW-16-Gehäuse integriert und bieten über den gesamten Betriebsbereich hinweg eine hohe Genauigkeit ohne kundenspezifische Programmierung. Zwei Hall-Platten, die störende externe Gleichtakt-Magnetfelder herausfiltern, erfassen den Strom differenziell.Der SOICW-16-Gehäuseaufbau bietet eine hohe Isolierung, indem sie das durch den Strom im Leiter erzeugte Feld magnetisch mit dem monolithischen Hall-Sensor-IC, der keine physikalische Verbindung zum integrierten Stromleiter hat, gekoppelt wird. Das MA-Gehäuse ist optimiert für eine erhöhte Isolierung mit einer Spannungsfestigkeit von 5.000 VRMS und einem Leiterwiderstand von 0,85 mΩ.
Die Hall-Effekt-Stromsensoren ACS71010 von Allegro MicroSystems verfügen über Betriebsfunktionen, die extern konfigurierbar und robust sind, ohne dass eine Programmierung erforderlich ist. Ein schneller Überstrom-Fehlerausgang bietet eine Kurzschlusserkennung zum Schutz des Systems, mit einer Fehlerschwelle, die proportional zum Strombereich ist und über einen analogen Eingang eingestellt werden kann. Der Referenzpin liefert eine stabile Spannung, die einer Ausgangsspannung von 0 A entspricht. Die Referenzspannung ermöglicht Differenzmessungen und eine gerätebezogene Spannung zur Grenzwerteinstellung von Überstrom-Defekten.
Die Bauteile sind RoHs-konform und bleifrei (Pb) mit 100–% matt-zinnbeschichteten Bleifassungen.
Merkmale
- Hohe Betriebsbandbreite für schnelle Regelkreise oder für die Überwachung von Hochgeschwindigkeitsströmen
- Bandbreite von 400 kHz
- Typische Anschwingzeit von 1,1 µs
- Hohe Leistungsfähigkeit für Applikationen mit optimierter Energie
- Fehler-Empfindlichkeit von <0,6 % und="" maximale="" offsetspannung="" von="" ±4 mv="" über="" temperatur="" (3σ,="" -40 °="" bis="">0,6 %>
- Nicht-ratiometrischer Betrieb mit VREF -Ausgang
- Differenzielle Erfassung für hohe Immunität gegenüber externen Magnetfeldern
- Keine magnetische Hysterese
- Einstellbarer schneller Überstromdefekt mit typischer Anschwingzeit von 1 µs
- Niedriger Widerstand des internen Primärleiters von 0,85 mΩ
- Zertifizierung nach UL 62368-1 (Edition 3), hoch-isoliertes Kompaktgehäuse des Typs SOICW-16 zur Oberflächenmontage
- RMS- Spannungsfestigkeit von 5.000 V
- 1.097 VRMS/ 1.550 VDC -Isolierungsspannung
- 565 VRMS/ 800 VDC verstärkte Isolierungsspannung
- Optimierter Temperaturbereich von -40 °C bis +105 °C mit funktionalem Betrieb bis zu +125 °C
- Klasse 2 AEC-Q100 für Fahrzeuganwendungen (ausstehend)
Applikationen
- Solar-(PV-)Umrichter
- PV-Überwachung
- MPPT
- EV-Ladung
- Energiespeichersysteme (ESS)
- Stromversorgung (UPS, SMPS)
- DC-/AC-Stromsensoren
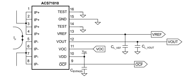
Typische bidirektionale Applikation
Blockdiagramm
