STMicroelectronics STEVAL-MKI238A Adapterboard
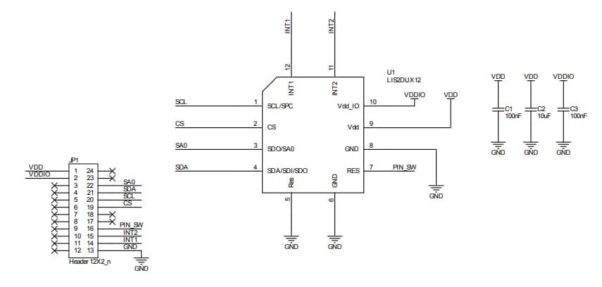
Das STEVAL-MKI238A Adapterboard von STMicroelectronics implementiert die Evaluierung der LIS2DUX12 MEMS-Bauteile. Der LIS2DUX12 extrem stromsparende Beschleunigungsmesser ist ein intelligenter, digitaler, linearer 3-Achsen-Beschleunigungsmesser. Das STEVAL-MKI238A Board ermöglicht eine schnelle System-Prototyping und eine Bauteilevaluierung direkt innerhalb der Applikation eines Benutzer’s. Das STEVAL-MKI238A kann in einen Standard-DIL-24-Sockel eingesteckt werden. Das Board bietet eine vollständige LIS2DUX12-Pinbelegung und integriert die erforderlichen Entkopplungskondensatoren auf der VDD-Stromversorgungsleitung.Das STEVAL-MKI109V3 Motherboard ist vollständig mit dem Adapter kompatibel und enthält einen leistungsstarken 32-Bit Mikrocontroller. Der MCU funktioniert als Brücke zwischen dem Sensor und dem PC. Dies ermöglicht die Verwendung einer herunterladbaren grafischen Benutzeroberfläche (Unico-GUI) oder dedizierter Software-Routinen für benutzerdefinierte Applikationen.
Das STEVAL-MKI238A Adapterboard von STM kann in ein X-NUCLEO-IKS01A3 Erweiterungsboard eingesteckt werden.
Merkmale
- Vollständige LIS2DUX12-Pinbelegung für einen Standard-DIL-24-Sockel
- Vollständig kompatibel mit dem STEVAL-MKI109V3 Motherboard
- RoHS-konform
Schaltplan
Veröffentlichungsdatum: 2023-02-03
| Aktualisiert: 2023-02-08
