Sfera Labs Exo Sense Pi
Sfera Labs Exo Sense Pi is a multi-sensor module with a Raspberry Pi 4 computing core and a wide range of connectivity options. It is ready for residential and commercial applications like environmental monitoring and data gathering. It is also ready for BLE positioning, indoor people and assets tracking, room management and access control, voice control, and much more.Features
- Sensors
- Temperature
- Humidity
- Air quality (VOC)
- Light intensity
- Microphone for sound intensity monitoring, recording, and processing
- PIR motion sensor
- Mounting
- 80x80mm wall mount ABS case with fast snap-in terminal block
- Power supply
- 9÷28Vdc power supply, with surge and reverse polarity protection and 1.1A resettable fuse
- Raspberry Pi Compute Module compatibility
- All Raspberry Pi Compute Module 4 boards
- A MicroSD slot is present on Exo Sense Pi to use external flash memory cards with the CM4 Lite
- Inputs/Outputs
- 2 x digital inputs or TTL level I/O (1-Wire, I2C, Wiegand support)
- 1 x open collector output
- Connectivity
- Standard RS-485 interface to the Raspberry Pi serial line, with electrostatic discharge protection
- 2.4GHz, 5.0GHz IEEE 802.11 b/g/n/ac wireless; Bluetooth 5.0, BLE depending on installed Raspberry Pi Compute Module 4 board
- micro USB socket for updating Compute Module 4 eMMC
- More
- GPIO-controlled LED
- Piezoelectric buzzer, for acoustic feedback
- Real-time clock (RTC) with replaceable backup battery
- embedded Microchip ATECC608A secure element chip
- internal temperature sensors for heat compensation
- Optional (factory-installed upon request)
- earthquake sensor module
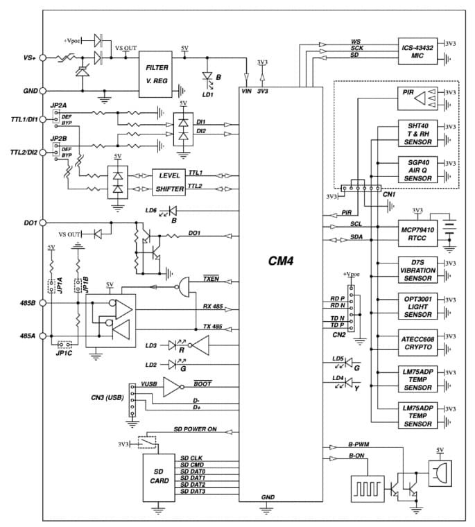
Block Diagram
Veröffentlichungsdatum: 2021-05-13
| Aktualisiert: 2022-05-23
