Silicon Labs Si4313 HF-Empfänger
Der Si4313 HF-Empfänger von Silicon Labs sind einendige GFSK-/FSK-/OOK-Empfänger, die über einen kontinuierlichen Frequenzbetrieb über 240 MHz bis 960 MHz und eine Empfangsempfindlichkeit von bis zu -118 dBm verfügen. Diese Empfänger verfügen außerdem über eine vereinfachte SPI-MCU-Schnittstelle für die Funkanpassung und eine verbesserte Leistungsfähigkeit. Die Si4313 Empfänger ermöglichen einen geringen System-Stromverbrauch durch Entladen zahlreicher HF-bezogener Aktivitäten vom System-MCU sowie durch Verlängerung der MCU-Schlafperioden. Zusätzliche Funktionen, wie z. B. ein automatischer Wake-up-Timer, ein 64-Byte-RX-FIFO und eine Präambel-Detektorschaltung sind ebenfalls verfügbar. Der Si4313 HF-Empfänger bietet eine ausgezeichnete Empfängerleistung in kostengünstigen Funkapplikationen.Merkmale
- Frequenzbereich: 240 MHz bis 960 MHz
- Empfindlichkeit: -118 dBm
- Geringer Stromverbrauch
- Datenrate: 0,2 bis 128 kBit/s
- FSK-, GFSK- und OOK-Modulationsschemas
- Stromversorgung: 1,8 V bis 3,6 V
- Shutdown-Modus mit sehr geringem Strom Verbrauch, Mikrocontroller
- Digitale RSSI
- Wake-up-Timer
- Automatische Frequenzkalibrierung (AFC)
- Freikanalanalyse
- Programmierbare RX-BW von 2,6 bis 620 kHz
- Präambel-Detektor
- RX-64-Byte-FIFO
- Temperaturbereich: -40 °C bis 85 °C
- Integrierter Spannungsregler
- Frequenzsprungfähigkeit
- On-Chip-Quarz-Abstimmung
- 20-Pin-QFN-Gehäuse
- Niedrige BOM
- Einzelkondensator-Anpassungsnetzwerk
- Power-On-Reset (POR)
- Einendige Antennenkonfiguration
Applikationen
- Fernbedienung
- Wetterstation
- Persönliche Datenprotokollierung
- Gesundheitsmonitore
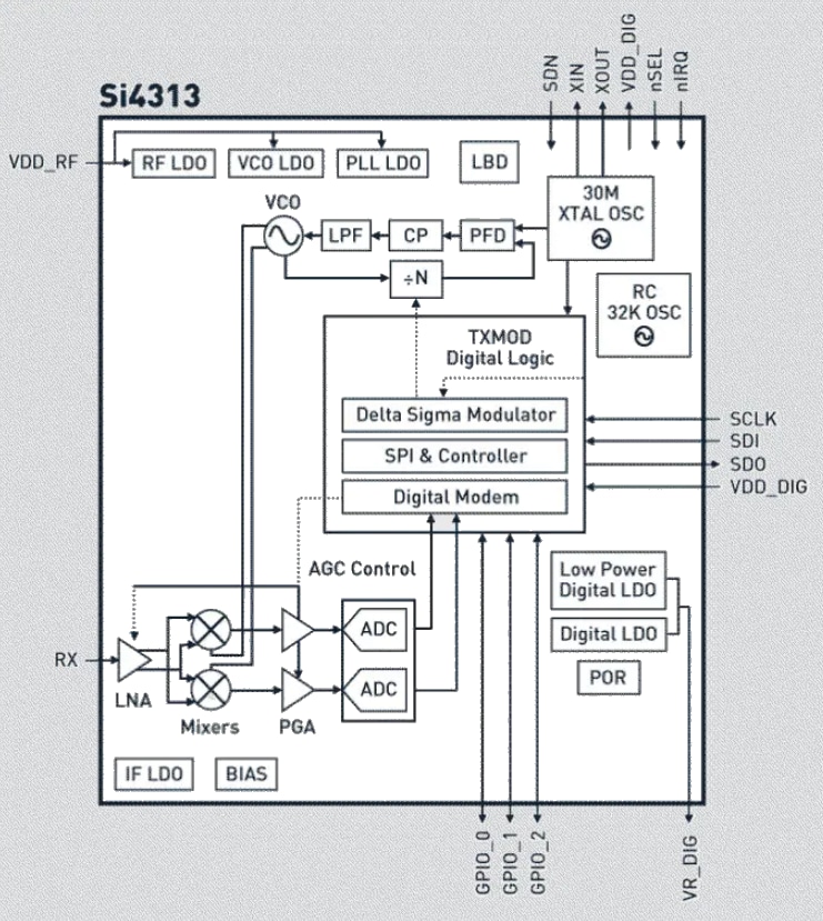
Blockdiagramm
Veröffentlichungsdatum: 2019-06-24
| Aktualisiert: 2024-01-04
