Silvertel AG210 PoE-LED Driver
Silvertel AG210 PoE-LED Driver is designed to combine high-power LED lighting applications with PoE connectivity. This LED driver is pre-configured as a Type 3 Class 6 PD device capable of extracting a maximum of 60W input from PSE. The AG210 driver provides an auxiliary DC output to power any external circuitry, such as a microprocessor. Silvertel AG210 PoE-LED Driver incorporates a simple-to-use I2C interface that allows access to lighting features. These features include modes like the brightness on start-up, scene programming, and broadcast to control other LEDs.The AG210 driver operates at 44V to 57V input voltage range and -40°C to +85°C operating temperature range. This LED driver offers a 5V to 12V auxiliary DC output range and up to 1000mA LED drive current. The AG210 driver comes with design-in assistance and a DIL package.
Features
- Adjustable constant current LED driver
- 90% high efficiency
- I2C interface
- Open circuit, short-circuit, and over-voltage protection
- Under-voltage protection
- Long life
- Low cost
- Silvertel “design-in” assistance description
- Small DIL package
Specifications
- -0.3VDC to 60VDC supply voltage range
- -40°C to +85°C operating temperature range
- 36V to 57V input supply voltage range
- 32V to 36V input under-voltage lockout range
- 5V to 12V auxiliary DC output range
- 1000mA LED drive current
- 60W power
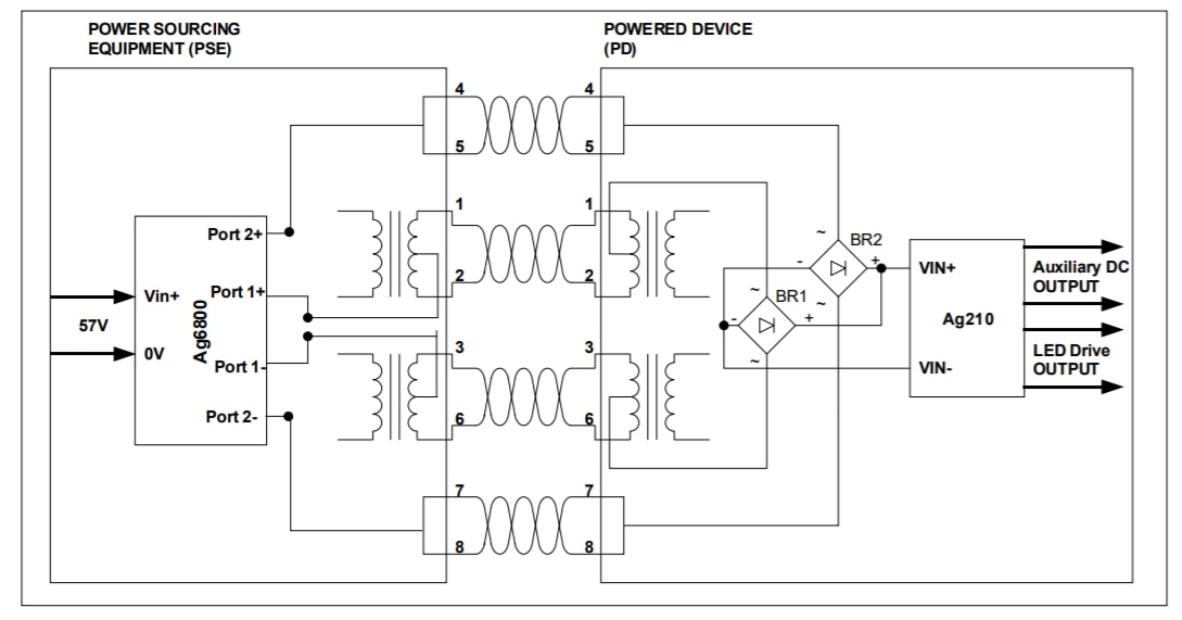
Block Diagram
Schematic Diagram
Veröffentlichungsdatum: 2020-07-02
| Aktualisiert: 2024-08-30
