STMicroelectronics GANSPIN611 GaN-Halbbrücke mit hoher Leistungsdichte
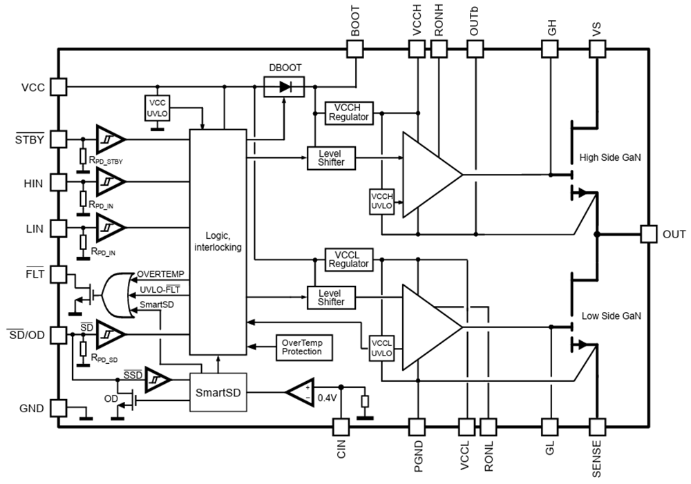
STMicroelectronics GANSPIN611 GaN-Halbbrücke mit hoher Leistungsdichte ist ein fortschrittliches Power-System-in-Package, das zwei Anreicherungs-GaN-Transistoren in einer Bauform integriert, die von einem hochmodernen Hochspannungs-Hochfrequenz-Gate-Treiber angesteuert werden. Die integrierten Leistungs-GaNs haben einen RDS(ON) von 138 mΩ und eine Drain-Source-Durchbruchspannung von 650 V, während die integrierte Bootstrap-Diode problemlos die High-Seite des integrierten Gate-Treibers versorgen kann.Der für die Bewegungssteuerung entwickelte GANSPIN611 optimiert den Ausgangswert dV/dt auf 10V/ns (typ.) für hartes Ein-/Ausschalten. Dieses Feature wird in Motorsteuerung für EMI, Motorwicklung und Kugellager- Zuverlässigkeit benötigt. Robustheit und Zuverlässigkeit sind auch distinktive Eigenschaften der GaNSPIN-Baureihe. Durch den Einsatz fortschrittlicher Schutzmechanismen gewährleisten die GaNSPIN-Bauteile eine optimale Systemrobustheit. Der SmartShutdown- Überstromschutz bietet dank seiner integrierten Logikschaltung und dedizierten Hochgeschwindigkeits-Komparatoren eine schnelle Reaktion.
Der STMicroelectronics GANSPIN611 ist in einem kompakten 9 mm x 9 mm x 1 mm QFN-Gehäuse erhältlich und arbeitet im industriellen Temperaturbereich von -40 °C bis +125 °C. Der GaNSPIN611 ist PIN-zu-PIN-kompatibel mit dem GaNSPIN612 [RDS(ON) von 270 mΩ], um die Skalierbarkeit in einem plattformbasierten Ansatz zu maximieren.
Merkmale
- Leistungselektronik-System-in-Package Produktfamilie mit integrierter Hochspannungs-GaN Transistoren in einer Halbbrücke Bauform mit einer Hochspannungs- GATE Treiber
- RDS(ON) = 138 mΩ
- IDS(MAX) = 10 A
- Umgekehrte Leitungsfähigkeit und Nullverlust-Sperrverzögerung
- 10 V/ns (typisch) Ausgang dV/dt sowohl im Hard-On- als auch im Hard-Off-Modus, angepasst an die Motorsteuerung
- Linearregler zur Regelung der Versorgungsspannung des High-Side- und Low-Side-Treibers.
- Externe einstellbare Einschalt-dV/dt
- Interne Bootstrap-Diode
- Komparator zur Überstromerkennung mit intelligenter Abschaltfunktion
- UVLO-Schutz für VCC, V HS und VLS
- Verriegelungsfunktion, Abschaltung, Standby und Fehler-Pins
- 55 ns Gate-Treiber was zu einer Ausgangs-Laufzeitverzögerung von 150 ns (typisch) führt
- Eingänge, die mit Hysterese und Pull-Down von 3,3 V bis 20 V kompatibel sind
Applikationen
- Haushaltsgeräte
- Kompressoren
- Pumpen
- Lüfter
- Haushaltsgeräte
- Fabrikautomatisierung
- Laufwerke
- Elektrowerkzeuge
Blockdiagramm
