STMicroelectronics A6985F Synchrone Abwärtsschaltregler
STMicroelectronics A6985F synchrone Abwärtsschaltregler sind Automobilstandard-Bauteile, die bis zu 0,5 A DC liefern. Der A6985F bietet einen stromsparenden und rauscharmen Modus und verfügt über anpassbare Ausgangsspannungen von 0,85 V bis VIN. Diese Regler sind AEC-Q100-qualifiziert, ermöglichen ein Tastverhältnis von 100 % und verfügen über große Eingangsspannungsbereiche für Kaltstart und Lastabfall. Für Automotive-Systeme ausgelegt und zu den typischen Applikationen gehören batteriebetriebene Applikationen und Karosserie-Applikationen.Merkmale
- AECQ-100-Qualifikation
- DC-Ausgangsstrom von 0,5 A
- 4 V bis 38 V Betriebseingangsspannung
- Stromsparmodus oder rauscharmer Modus
- 30 μA IQ bei leichter Last (LCM VOUT = 3,3 V)
- 8 μA IQ-SHTDWN
- Ausgangsspannungen:
- Festgelegt auf 3,3 V und 5 V
- Einstellbar von 0,85 V bis VIN
- Einstellbare fSW (250 kHz bis 2 MHz)
- Embedded Ausgangsspannungswächter
- Synchronisierung
- Einstellbare Sanftanlauf-Zeit
- Interne Strombegrenzung
- Überspannungsschutz
- Sequentialisierung der Ausgangsspannung
- Spitzenstrommodus-Architektur
- RDSON HS = 360 mΩ, RDSON LS = 150 mΩ
- Thermische Abschaltung
Applikationen
- Für Automotive-Systeme ausgelegt
- Batteriebetriebene Applikationen
- Karosserie-Applikationen (LCM)
- Auto-Audio- und rauscharme Applikationen (LNM)
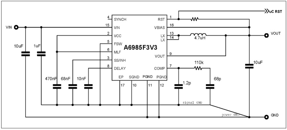
A6985F Applikations-Schaltung
Veröffentlichungsdatum: 2016-03-02
| Aktualisiert: 2022-03-11
