STMicroelectronics ACEPACK™ IGBT-Module

Die ACEPACK™ IGBT-Module von STMicroelectronics sind eine Produktfamilie von neuen Kunststoff-Leistungsmodulen, die für industrielle Applikationen und Energiemanagementlösungen ausgelegt sind. Die ACEPACK™-1- und ACEPACK™-2-Pakete werden sowohl mit CIB- (Wandler plus Inverter plus Brake) als auch Six-Pack-Topologien eingeführt, welche die fortschrittlichen Trench-Gate-Field-Stop-Technologien integrieren. Diese ACEPACK IGBT-Module verfügen über die Leistungsmodule ACEPACK 1 oder ACEPACK 2, einen integrierten negativen Temperaturkoeffizienten (NTC) und CIB- oder Six-Pack-Topologien.Diese Module decken den ordnungsgemäßen Einsatz der neuen IGBT-Technologie ab, indem zur Erhöhung des Wirkungsgrads um 20 kHz der beste Kompromiss zwischen Leitungs- und Schaltverlusten wiedergegeben wird. Diese IGBT-Module eignen sich hervorragend für den Einsatz in industriellen Motorantrieben, Sonnenkollektoren, Schweißen und Wechselrichtern.

Merkmale

  • ACEPACK™ 1 und ACEPACK™ 2 Leistungsmodule:
    • Direct Bonded Copper (DBC) Cu Al2O3Cu
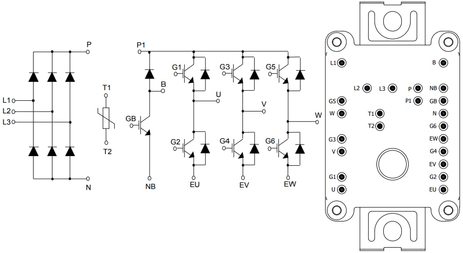
  • CIB-Topologie (Wandler plus Inverter plus Brake):
    • Sperrspannung: 1.600 V
    • IGBTs und Dioden: 1.200 V, 25 A
    • 1,95 VCE(sat)  bei IC = 25 A
    • Sanfte und schnelle Freilaufdiode
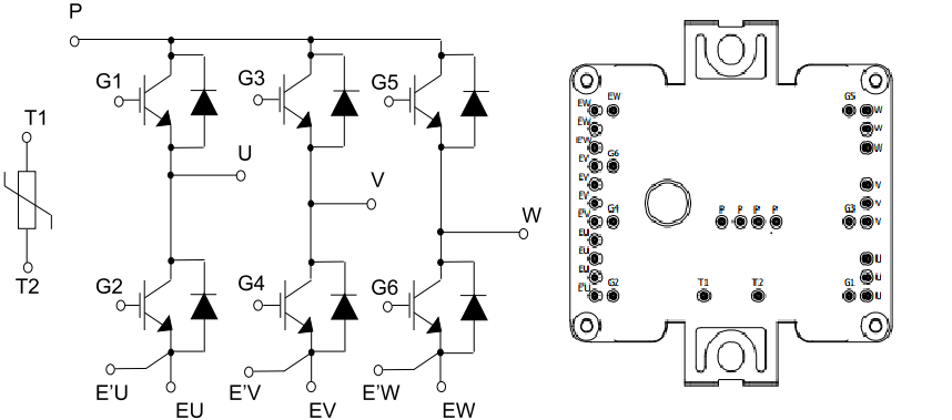
  • Sixpack-Topologie:
    • IGBTs und Dioden: 1.200 V, 35 A
    • 1,95 VCE(sat)  bei IC = 35 A
  • Sanfte und schnelle Freilaufdiode
  • Integrierter NTC

Applikationen

  • Inverter
  • Motorantriebe
  • Sonnenkollektoren
  • Schweißen

Wandler plus Inverter plus Brake

Videos

Veröffentlichungsdatum: 2018-01-02 | Aktualisiert: 2023-01-31