STMicroelectronics BALF-NRG-0xD3 BlueNRG-Balun
STMicroelectronics BALF-NRG-0xD3 BlueNRG-Baluns sind Ultra-Miniatur-Bauteile, die ein Anpassungsnetzwerk und einen Oberwellenfilter integrieren. Das Impedanz-Matching dieser Baluns ist an die BlueNRG-ST-Transceiver angepasst. Die BAL-NRG-0xD3 Baluns sind mit der IDP-Technologie (Integrated Passive Device) von STMicroelectronics auf dem nicht leitfähigen Glassubstrat zur Optimierung der HF-Leistung ausgelegt.Merkmale
- 50 Ω Nenneingang/konjugierte Anpassung an BluNRG-Bauteil
- Geringe Einfügungsdämpfung
- Geringe Amplitudendifferenz
- Geringe Phasenunsymmetrie
- Hohe HF-Leistung
- Reduzier der HF-BOM
- Kleiner Footprint
- BALF-NRG-01D3 unterstützt sowohl ein QFN- als auch Wafer-Level-Chip-Scale-Gehäuse (WLCSP) BlueNRG
Applikationen
- Bluetooth Low Energy Impedanz-Matching-Balun-Filter
- Optimiert für ST BlueNRG RFIC
Weitere Ressourcen
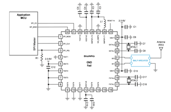
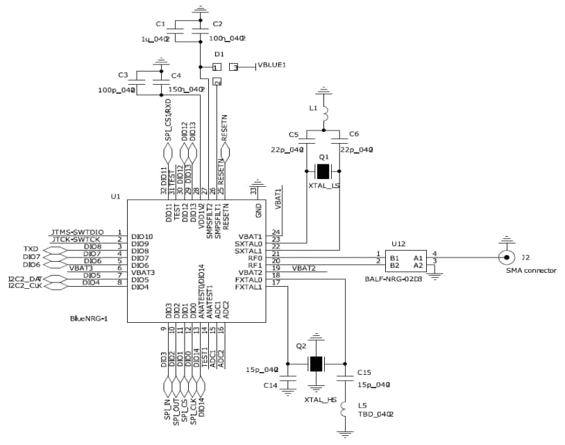
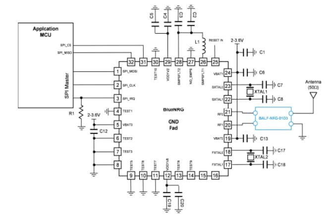
BALF-NRG-02D3 Applikations-Schaltung
Veröffentlichungsdatum: 2019-01-25
| Aktualisiert: 2024-01-23
