STMicroelectronics Balun-Transformatoren
Die Balun-Transformatoren von STMicroelectronics verwenden den ST-Prozess, indem sie hochwertige passiven HF-Komponenten auf einem einzigen Glassubstrat integrieren. Für vollen Funktionsumfang können sie neben symmetrischer/unsymmetrischer Umwandlung auch ein passendes Netzwerk in einem weniger als 1 mm2 großen Footprint integrieren.Merkmale
- 50Ω nominal input/conjugate match to Spirit1
- Low insertion loss
- Low amplitude imbalance
- Low phase imbalance
- Small footprint
- Very low profile (<670μm)
- High RF performance
- RF BOM and area reduction
Applikationen
- BALF-SPI-01D3:
- 868MHz and 915MHz impedance matched balun filter
- Optimized for SPIRIT1 sub GHz RFIC
- BALF-SPI-02D3:
- 434MHz impedance matched balun filter
- Optimized for ST chipset SPIRIT1
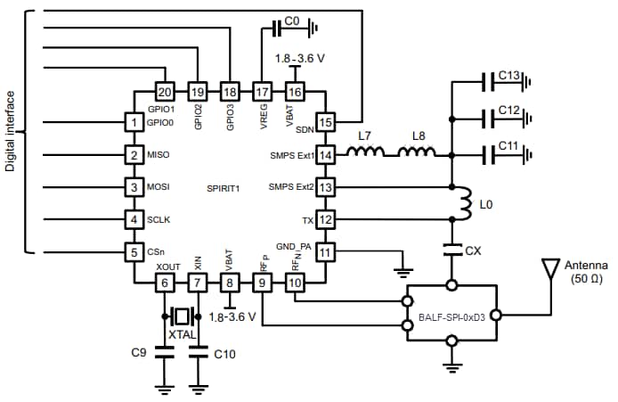
BALF-SPI-0xD3 Application Circuit
Veröffentlichungsdatum: 2014-02-19
| Aktualisiert: 2022-03-11
