STMicroelectronics EVALSTGAP2HSM Gate-Treiber-Demonstrationsboard
Das STMicroelectronics EVALSTGAP2HSM Gate-Treiber-Demonstrationsboard ermöglicht die Evaluierung aller Funktionen des STGAP2HSM bei gleichzeitiger Ansteuerung einer Halbbrücken-Leistungsphase mit einer Nennspannung von bis zu 1.200 V in einem TO-220- oder TO-247-Gehäuse. Der Gate-Treiber zeichnet sich durch eine Strombelastbarkeit von 4 A und Rail-to-Rail-Ausgänge aus. Aufgrund dieser Funktion eignet sich der Gate-Treiber auch für Hochleistungs-Wechselrichter-Applikationen, wie z. B. Motortreiber in Industrieapplikationen, die mit einem MOSFET-/IGBT-Leistungsschalter ausgestattet sind. Die separaten Quellen- und Senkenausgänge ermöglichen dem Benutzer die unabhängige Optimierung von Einschalt- und Ausschaltvorgängen mit dedizierten Gate-Widerständen.Das Bauteil enthält Schutzfunktionen wie UVLO und thermische Abschaltung, um das Design von hochzuverlässigen Systemen zu vereinfachen. Die Auswahl der Polarität des Steuersignals erfolgt über die Dual-Eingangs-Pins und die Implementierung eines HW-Verriegelungsschutzes verhindert Querströme bei einer Fehlfunktion des Controllers. Das Bauteil ermöglicht die Implementierung einer negativen Gate-Ansteuerung und die isolierten On-Board-DC/DC-Wandler ermöglichen den Betrieb mit einer optimierten Ansteuerspannung für MOSFET/IGBT. Das EVALSTGAP2HSM von STMicroelectronics ermöglicht eine einfache Auswahl und Änderung der Werte von relevanten externen Komponenten, um die Evaluierung der Treiberleistung unter verschiedenen geeigneten Bedingungen und die feine Vorabstimmung der Komponenten der Endapplikation zu vereinfachen.
Merkmale
- Board
- Hochspannungsschiene: bis zu 1.200 V
- Negative Gate-Ansteuerung
- Isolierte On-Board-DC/DC-Wandler zur Versorgung von High-Side- und Low-Side-Gate-Treibern, die von VAUX = 5 V mit einer maximalen Isolierung von 5,2 kV gespeist werden
- Logikversorgung von 3,3 V VDD wird auf dem Board erzeugt oder 5 V (extern angelegt)
- Einfache Steckbrückenauswahl der Ansteuerspannungskonfiguration: +15/0 V, +15/-3 V, +19/0 V, +19/-3 V
- Bauteil
- Treiberstrombelastbarkeit: 4 A Quelle/Senke bei 25 °C
- Separate Senke und Quelle für einfache Gate-Ansteuerkonfiguration
- Galvanische Trennung: 6.000 V
- Kurze Laufzeitverzögerung: 75 ns
- UVLO-Funktion
- Gate-Ansteuerspannung bis zu 26 V
- 3,3 V, 5V-TTL/CMOS-Eingänge mit Hysterese
- Übertemperaturschutz
- Standby-Funktion
Applikationen
- Motor drivers
- Home appliances
- Factory automation
- Industrial drives
- Fans
- 600/1200V inverters
- Battery chargers
- Induction heating
- Welding
- UPS
- Power supply units
- DC-DC converters
- Power factor correction
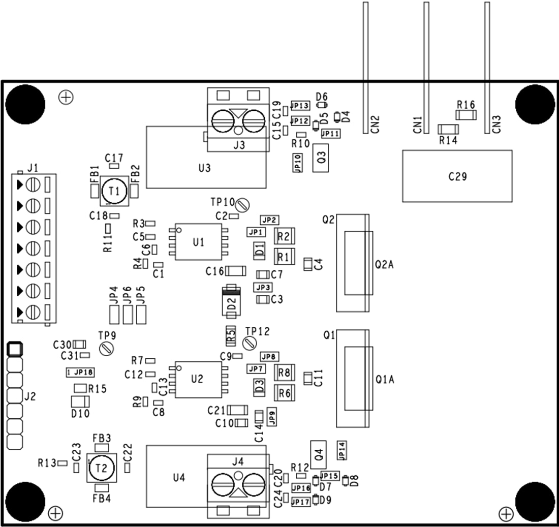
Board-Layout
