STMicroelectronics EVALSTGAP2SICSC Demonstrationsboard
Das STMicroelectronics EVALSTGAP2SICSC Demonstrationsboard ist für die schnelle und einfache Demonstration der STGAP2SICS Einzel-Gate-Treiber ausgelegt. Die STGAP2SICS Einzel-Gate-Treiber sind Einzel-Gate-Treiber, die eine galvanische Trennung zwischen dem Gate-Treiberkanal und der Niederspannungssteuerung sowie der Schnittstellenschaltung bieten. Die Gate-Treiber zeichnen sich durch eine Leistung von 4 A und Rail-to-Rail-Ausgänge aus, wodurch sich die Bauteile für Applikationen mit mittlerer und hoher Leistung, wie z. B. Leistungsumwandlung und Motortreiber-Wechselrichter in Industrieapplikationen eignen.Merkmale
- Board
- Hochspannungsschiene: bis zu 1.200 V
- Negative Gate-Ansteuerung
- Isolierte On-Board-DC/DC-Wandler zur Versorgung von High-Side- und Low-Side-Gate-Treibern, die von VAUX = 5 V mit einer maximalen Isolierung von 5,2 kV gespeist werden
- Logikversorgung von 3,3 V VDD wird auf dem Board erzeugt oder 5 V (extern angelegt)
- Einfache Steckbrückenauswahl der Ansteuerspannungskonfiguration: +17/0 V, +17/-3 V, +19/0 V, +19/-3 V
- Bauteil
- Treiberstrombelastbarkeit: 4 A Quelle/Senke bei 25 °C
- Galvanische Trennung: 6.000 V
- Kurze Laufzeitverzögerung: 75 ns
- UVLO-Funktion
- Gate-Ansteuerspannung bis zu 26 V
- 3,3 V, 5-V-TTL-/CMOS-Eingänge mit Hysterese
- Übertemperaturschutz
- Standby-Funktion
- 4-A-Miller-Klemme
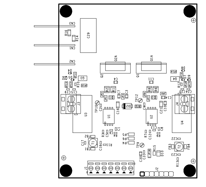
Board-Layout
Veröffentlichungsdatum: 2020-12-08
| Aktualisiert: 2024-12-30
