STMicroelectronics L9907 Automotive-FET-Treiber
STMicroelectronics L9907 Automotive-FET-Treiber sind Smart-Leistungsbauteile mit fortschrittlicher BCD-6s-Technologie. Der L9907 kann alle PowerMOS-Transistoren für Dreiphasen-BLDC-Motorapplikationen antreiben. Die Schaltung eignet sich für den Betrieb in Umgebungen mit hoher Versorgungsspannung wie z. B. eine Doppel-Batterie. Mit der Versorgung verbundene Pins sind in der Lage, bis zu 90 V zu widerstehen und das Bauteil kann die sechs Vortreiber-Kanäle unabhängig steuern.Merkmale
- Versorgungsspannung von 6 V bis 54 V für den Betrieb in Einzel- (12V-Systeme), Doppel- (24V-Systeme) und 48V-Batterie-Applikationen
- Das Bauteil kann bei den FET-High-Side-Treiber-Pins -7 V bis 90 V standhalten
- 2-Differential-Strommessverstärker:
- Ausgangs-Offset über SPI wählbar (0,2* VCC-Offset für Masse-Nebenwiderstandsverbindung, 0,5* VCC-Offset für Phasen-Nebenwiderstandsverbindung)
- Alle Verstärker-Gain-Faktoren sind programmierbar (10, 30, 50, 100)
- AEC-Q100-qualifiziert
- Eingangs-Pin für jeden Gate-Treiber
- Geringer Standby-Stromverbrauch
- Interner 3,3V-Regler versorgt durch VCC-Pin
- Aufwärtsregler für vollständige RDSON herunter bis 6 V und Überspannungsschutz
- 3 Low-Side- und 3 High-Side-Treiber:
- PWM-Betrieb bis zu 20 kHz
- Gate-Treiberstrom einstellbar über SPI in 4 Schritten. Bereich über einen externen Widerstand einstellbar. Maximaler Gate-gesteuerter Strom von 600 mA
- Quellverbindung zu jedem MOSFET
Videos
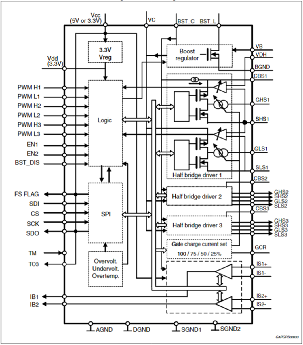
Block Diagram
Dimensions
Veröffentlichungsdatum: 2017-06-07
| Aktualisiert: 2022-05-31
