STMicroelectronics L99MOD50XP Treiber mit mehreren Ausgängen
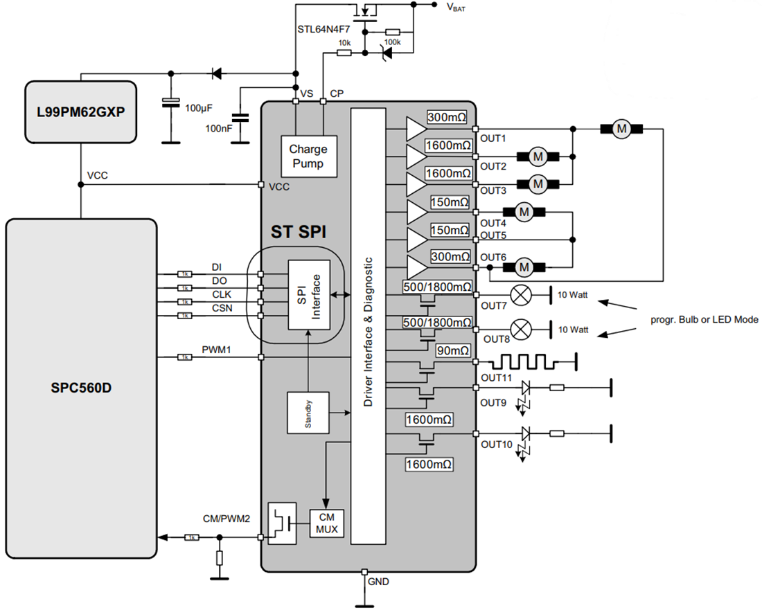
Der STMicroelectronics L99MOD50XP Treiber mit mehreren Ausgängen ist ein Mikrocontroller-gesteuerter multifunktionaler Betätigertreiber für Fahrzeuganwendungen. Bis zu fünf DC-Motoren und fünf geerdete ohmsche Lasten können mit sechs Halbbrücken und fünf High-Side-Treibern angesteuert werden. Die integrierte SPI steuert alle Betriebsmodi (vorwärts, rückwärts, Bremse und hohe Impedanz). Darüber hinaus sind alle Diagnoseinformationen über den SPI-Lesevorgang verfügbar.Merkmale
- AEC-Q100-qualifiziert
- Zwei Halbbrücken für eine Last von 6 A (RDSON = 150 mΩ)
- Zwei Halbbrücken für eine Last von 3 A (RDSON = 300 mΩ)
- Zwei Halbbrücken für eine Last von 0,75 A (RDSon = 1.600 mΩ)
- Ein High-Side-Treiber für eine Last von 6 A (RSon = 90 mΩ)
- Zwei konfigurierbare High-Side-Treiber für eine Last von bis zu 1,5 A (RDSon = 500 mΩ) oder eine Last von 0,4 A (RDSon = 1.800 mΩ)
- Zwei High-Side-Treiber für eine Last von 0,5 A (RSon = 1.600 mΩ)
- Programmierbare Soft-Start-Funktion zur Ansteuerung von Lasten mit höheren Einschaltströmen als Strombegrenzungswert
- Sehr geringe Stromaufnahme im Standby-Modus IS <6 μA (typisch), Tj ≤85 °C; ICC <5 μA typisch; Tj ≤85 °C)
- Ausgangsstromwächter für alle High-Side-Treiber
- Das Bauteil enthält eine Temperaturwarnung und einen Übertemperaturschutz
- Erkennung von offenen Lasten für alle Ausgänge
- Überstromschutz für alle Ausgänge
- PWM-Steuerung aller Ausgänge
- Ladepumpenausgang für Batterie-Verpolungsschutz
- ST Serielle Standard-Peripherieschnittstelle (ST-SPI 3.0)
Applikationen
- Steuerung mehrerer Motoren und zusätzlicher Lasten in High-Side-Konfiguration, wie z. B. Glühbirnen, LEDs oder geschützte Versorgung, wie Sensoren oder Kameras
Blockdiagramm
Veröffentlichungsdatum: 2019-12-04
| Aktualisiert: 2024-02-19
