STMicroelectronics LDK120P DFN-6L Low-Drop-Spannungsregler
STMicroelectronics LDK130P DFN-6L Low-Drop-Spannungsregler bieten einen Maximalstrom von 200mA bei einer Eingangsversorgungsspannung zwischen 1,9 und 5,5V und einer typischen Dropout-Spannung von 100mV. Er wird am Ausgang mit einem Keramik-Kondensator stabilisiert. Die sehr niedrige Drop-Spannung, der niedrige Ruhestrom und die geräuscharmen Funktionen eignen den Regler für batteriebetriebene Energiespar-Anwendungen. Eine Freigabe-Logik-Steuerfunktion versetzt den LDK120P in den Abschaltmodus und ermöglicht so einen Gesamt-Stromverbrauch von weniger als 1μA. Das Gerät umfasst auch eine kurzschlusskonstante Strombegrenzung und einen thermischen Schutz.Merkmale
- Input voltage from 1.9V to 5.5V
- Very low dropout voltage (100mV typ. at 100mA load)
- Low quiescent current (max. 100μA, 1μA in OFF mode)
- Very low noise
- Output voltage tolerance: ± 2.0% @ 25°C
- Wide range of fixed output voltages available on request: from 0.8V to 3.5V with 100mV step
- 200mA guaranteed output current
- Adjustable version: from 0.8V to VIN to Vdrop
- Logic-controlled electronic shutdown
- Compatible with ceramic capacitor COUT = 1μF
- Internal current and thermal limit
- Temperature range: -40°C to +125°C
Applikationen
- Smartphones
- Tablets
- Cordless phones and similar battery-powered systems
- Digital still cameras
Block Diagram
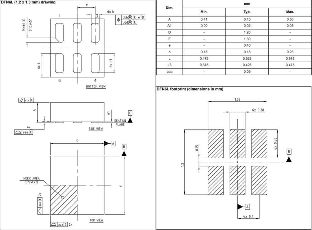
Package Outline
Veröffentlichungsdatum: 2014-04-18
| Aktualisiert: 2022-03-11
