STMicroelectronics LDL1117 Low-Dropout-Linear-Spannungsregler

STMicroelectronics LDL1117 Low-Dropout-Linear-Spannungsregler verfügen über einen Maximalstrom von 1,2 A bei einem Eingangsspannungsbereich von 2,5 V bis 18 V. Die LDL1117 verfügen bei 1,2 A über eine typische Dropout-Spannung von 350 mV. Die hohe Versorgungsspannungsunterdrückung von 87 dB bei 120 Hz, die bei 100 KHz bis zu 40 dB hinunter geht, macht die LDL1117 ideal für die direkte Regelung in SNTs und die sekundäre lineare Regelung in DC/DC-Wandlern. Das Bauteil verfügt zudem über eine Strombegrenzung, SOA- und thermische Schutzfunktionen.

Merkmale

  • Eingangsspannung von 2,5 V bis 18 V
  • 20 V AMR
  • Erhältlich in festen Ausgangsspannungen: 1,2 V (1,185 V), 1,5 V, 1,8 V, 2,5 V, 3 V, 3,3 V, 5,0 V (andere Optionen sind auf Anfrage erhältlich)
  • 1,2 A Garantierter Ausgangsstrom
  • Typisches Dropout 350 mV bei 1,2 A
  • Interne thermische Strom- und Leistungsbegrenzung
  • Hohe PSRR von 87 dB bei 120 Hz
  • Betriebstemperaturbereich: -40°C bis 125 °C SOT223-Gehäuse

Applikationen

  • Verbraucher
  • Industrie
  • SMPS
  • Motherboard P.O.L.
  • DC-DC-Nachregelung

Vervollständigen Sie Ihr Design

STMicroelectronics LDL1117 Low-Dropout-Linear-Spannungsregler

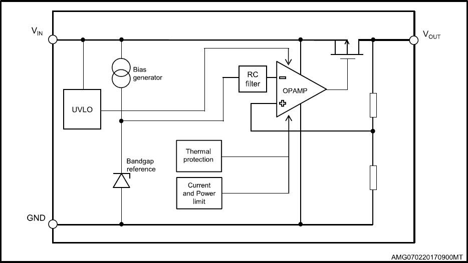
Blockdiagramm

Blockdiagramm - STMicroelectronics LDL1117 Low-Dropout-Linear-Spannungsregler
Veröffentlichungsdatum: 2017-07-10 | Aktualisiert: 2022-03-11