STMicroelectronics LM2902B Stromsparender Vierfach-Operationsverstärker

Die STMicroelectronics LM2902B Low-Power-Vierfach-Operationsverstärker (Op-Amps) wurden speziell für automobile und industrielle Steuerungssysteme entwickelt. Diese vier unabhängigen Verstärker mit hoher Verstärkung verfügen über einen internen Frequenzausgleich. Die LM2902B Low-Power-Vierfach-Operationsverstärker haben eine Betriebsspannung von bis zu 36 V, eine große Bandbreite von 1,2 MHz (Unity Gain) und eine 100 dB große Gleichspannungsverstärkung. Diese Verstärker sind AEC-Q100-qualifiziert und können mit einer einzigen Stromversorgung über einen breiten Spannungsbereich betrieben werden. Die vierfachen Low-Power-Operationsverstärker LM2902B werden in Telekommunikationsausrüstungen, im Power-Management und in industriellen Anwendungen eingesetzt.

Merkmale

  • Betriebsversorgungsspannung: bis zu 36 V
  • Intern implementierte Frequenzkompensation
  • Sehr niedriger Versorgungsstrom/Verstärker und grundsätzlich unabhängig von der Versorgungsspannung
  • Große Bandbreite (Verstärkungsfaktor Eins): 1,2 MHz (temperaturkompensiert)
  • Niedriger Eingangsruhestrom: 20 nA (temperaturkompensiert)
  • ±40 V differentielle Eingangsspannung
  • Gleichtakt-Eingangsspannungsbereich mit der negativen Schiene
  • Differential-Eingangsspannungsbereich entspricht der Versorgungsspannung
  • AEC-Q100-qualifiziert
  • Große DC-Spannungsverstärkung: 100 dB
  • Niedriger Eingangs-Offsetstrom: 2 nA
  • Großer Ausgangsspannungshub: 0 V bis VCC 1,5 V
  • Maximale Sperrschichttemperatur: 150 °C

Applikationen

  • Telekommunikationsanlagen
  • Leistungsmanagement
  • Industrieapplikationen
  • Fahrzeuganwendungen

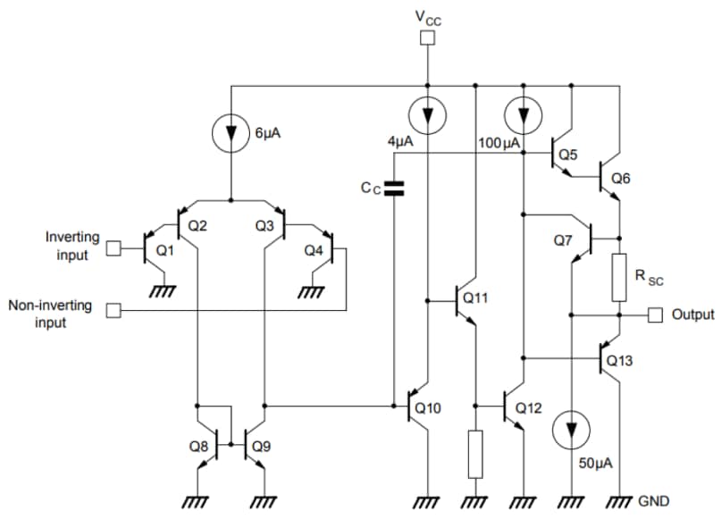
Schaltplan-Diagramm

Schaltplan - STMicroelectronics LM2902B Stromsparender Vierfach-Operationsverstärker
Veröffentlichungsdatum: 2022-03-07 | Aktualisiert: 2022-05-31