STMicroelectronics LSM330/D iNEMO 3D-Beschleunigungsmesser & 3D-Gyroskop
STMicroelectronics LSM330/D iNEMO 3D-Beschleunigungsgeber & 3D-Gyroskop ist ein System-in-Package, das einen 3D digitalen Beschleunigungsmesser und ein 3D-Gyroskop bietet. Die MEMS-Sensormodulfamilie von ST verstärkt die robusten und ausgereiften Herstellungsprozesse, die bereits für die Herstellung von mikromaschinell bearbeiteten Beschleunigungsmessern & 3D-Gyroskopen verwendet wird. Die diversen Sensorelemente werden unter Verwendung von spezialisierten mikromaschinellen Verarbeitungsprozessen hergestellt, während die IC-Schnittstellen unter Verwendung einer CMOS-Technologie entwickelt werden, die die Gestaltung eines speziellen Stromkreises ermöglicht, der so eingestellt ist, dass er besser zu den Eigenschaften der Sensorelemente passt. Der LSM330/D hat einen vom Nutzer auswählbaren Beschleunigungsbereich bei Vollausschlag von ±2g/±4g/±8g/±16g oder ±2/±4/±6/±8/±16g und eine Drehrate von ±250/±500/±2000dps. Die Beschleunigungsmess- und Gyroskopsensoren können entweder aktiviert oder bei auf Energiesparen optimierten Anwendungen separat in den Energiespar- oder Abschaltmodus geschaltet werden.The various sensing elements are manufactured using specialized micromachining processes, while the IC interfaces are developed using a CMOS technology that allows the design of a dedicated circuit which is trimmed to better match the sensing element characteristics.
The LSM330 has user-selectable full-scale acceleration range of ±2/±4/±6/±8/±16g and angular rate of ±125/±250/±500/±1000/±2000dps. The accelerometer and gyroscope sensors can be either activated or separately put in Low power/Power-down mode for applications optimized for power saving.
Merkmale
- 2.4V to 3.6V analog supply voltage
- 1.8V digital supply voltage IOs
- Low power mode
- Power-down mode
- Sleep mode
- 2 embedded programmable state machines
- 3 independent acceleration channels and 3 angular rate channels
- ±2/±4/±6/±8/±16g selectable full scale
- ±250/±500/±2000 dps selectable full scale
- SPI/I2C serial interface (16-bit data output)
- Programmable interrupt generator for free-fall and motion detection
- Embedded temperature sensor
- Embedded FIFO
- ECOPACK® RoHS and "Green" compliant
Applikationen
- GPS navigation systems
- Impact recognition and logging
- Gaming and virtual reality input devices
- Motion activated functions
- Intelligent power saving for handheld devices
- Vibration monitoring and compensation
- Free-fall detection
- 6D orientation detection
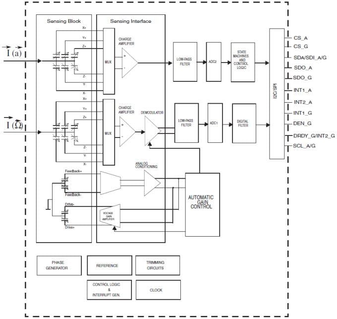
Block Diagram
Veröffentlichungsdatum: 2014-03-13
| Aktualisiert: 2024-02-16
