STMicroelectronics PWD5T60 Dreiphasige High-Density-Power-Treiber
STMicroelectronics PWD5T60 dreiphasige High-Density-Power-Treiber verfügen über einen integrierten Gate-Treiber und 6 n-Kanal-Leistungs-MOSFETs. Die PWD5T60 Treiber von STMicroelectronics sind ideal für Motorantriebsapplikationen wie Lüfter, Pumpen und kleine Haushaltsgeräte. Die Treiber umfassen MOSFETs mit 1,38 ΩRDS(on) und eine Sperrspannung von 500 V. Die hohe Integration der Bauteile ermöglicht eine effiziente Last-Ansteuerung in einem reduzierten Footprint, perfekt für platzbeschränkte Setups.Die Treiber haben einen eigenen Eingangs-Pin für jeden Ausgang, einen Shutdown-Pin und CMOS/TTL kompatibel Logikschaltungs-Eingänge bis hinunter zu 3,3 V, was eine einfache Anbindung gewährleistet. Abgestimmte Verzögerungen zwischen Low-Side- und High-Side-Abschnitten ermöglichen einen verzerrungsfreien Betrieb bei hohen Frequenzen. Die Robustheit wird durch Verriegelungs- und Totzeitfunktionen und fortschrittliche Schutzfunktionen wie Smart ShutDown bei Überlast und Überstrom gewährleistet. UVLO Schutzvorrichtungen auf beiden Seiten verhindern niedrige Wirkungsgrad oder gefährliche Bedingungen und gewährleisten ausfallsicheren Betrieb. Integrierte Bootstrap-Dioden und andere Funktionen vereinfachen das PCB-Layout und senken die Gesamtkosten. Die Treiber sind in einem kompakten VFQFPN-Gehäuse von 12 mm x 12 mm x 0,95 mm untergebracht.
Merkmale
- Leistungstreiber mit Gate-Treiber und Hochspannungs-Leistungs-MOSFETs RDS(on) = 1,38 Ω
- BVDSS = 500 V
- Weit Eingang Versorgungsspannung Bereich von 9 V bis 20 V
- Integrierte Zero-Drop-Bootstrap-Dioden
- Komparator für schnellen Überstromschutz mit Smart ShutDown Funktionsumfang
- Übertemperaturschutz
- 3,3 V 5 V TTL/CMOS-Eingänge mit Hysterese
- Angepasste Signallaufzeit für alle Kanäle
- UVLO-Funktionen auf Low-Side und High-Side
- Verriegelungs- und Totzeitfunktionen
- Zugeordneter Freigabekontakt
- Sehr kompaktes und vereinfachtes Layout
Applikationen
- 3-phase Umrichter
- Lüfter und Pumpen
- Heim- und Industrie-Haushaltsgeräte
- Kompressoren für Kühlschränke
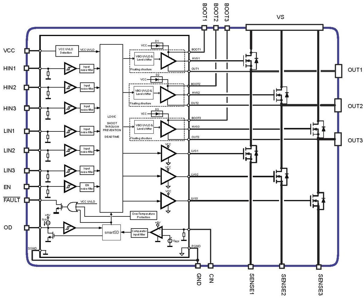
Blockdiagramm
Videos
Weitere Ressourcen
- UM3042 STM32 Motorsteuerung SDK - 6-Schritt-FirmWare-Bibliothek
- AN6060 VIPower M0-9 Motor Treiber für Fahrzeug-DC-Motorsteuerung
- Eine Einführung in Elektromotoren
- Leistungsstarker Motor, 3-Phasen-Regler mit STM32G4 MCU
- STSPIN32 - 3-Phasen-Hochspannungs-Motorsteuerungen mit integrierter STM32 MCU
- STSPIN Motor-Treiber
- Motorsteuerung Referenzguide
- Motortreiber ICs für Industrieapplikationen
- Produkte und Lösungen für die Smart-Industrie
- STM32 Nucleo Erweiterungsboards Motorsteuerung Auswahlhilfe
- STSPIN-Motorsteuerung: Designüberlegungen für die bürstenlose Gleichstrom-Motorsteuerung
