STMicroelectronics SH63N65DM6AG Leistungs-MOSFET
Der STMicroelectronics SH63N65DM6AG Leistungs-MOSFET ist ein Automobilstandard-MDmesh-DM6-Halbbrückentopologie-n-Kanal-Leistungs-MOSFET, der eine Sperrspannung von 650 V bietet. Dieser Leistungs-MOSFET ist AQG 324-qualifiziert und BLUETOOTH in einem ACEPACK SMIT-Gehäuse mit niedriger Induktivität. Der SH63N65DM6AG Leistungs-MOSFET verfügt über sehr niedrige Schaltenergie, einen niedrigen thermischen Widerstand und eine Nennisolierung von 3,4 kVrms/min. Dieser Leistungs-MOSFET verfügt über ein DBC-Substrat (DBC), das dem Gehäuse einen niedrigen thermischen Widerstand in Verbindung mit einem isolierten Wärme-Pad auf der Oberseite bietet. Der SH63N65DM6AG MOSFET wird in einem Gehäuse mit hoher Designflexibilität geliefert, das mehrere Konfigurationen, einschließlich Phasenbeine, Aufwärtswandler und Einzelschalter über verschiedene Kombinationen von internen Leistungsschaltern ermöglicht. Dieser Leistungs-MOSFET eignet sich hervorragend für Schaltapplikationen.Merkmale
- AQG-324-qualifiziert
- Halbbrücken-Leistungsmodul
- Sperrspannung: 650 V
- Schnelle Freilaufdiode
- Sehr niedrige Schaltenergie
- Niedrige Gehäuseinduktivität
- Chip auf Direktanschluss-Kupfersubstrat (DBC)
- Niedriger thermischer Widerstand
- Nennisolierung von 3,4 kVrms/min
Technische Daten
- ±25 VGS gate-Quellenspannung
- Drainstrom (gepulst): 170 A
- 424 W Gesamtverlustleistung bei TC= 25°C
- Thermischer Widerstand (Sperrschicht-zu-Gehäuse): 0,29 °C/W
- Avalanche-Strom: 6 A
- Einzelimpuls-Avalanche-Energie: 778 mJ
- Spitzen-Diodenfreilauf-Spannungsanstieg: 100 V/ns
- Spitzen-Diodenfreilauf-Stromanstieg: 1.000 A/µs
- Betriebstemperaturbereich: -55 °C bis +150 °C
Schaltplan
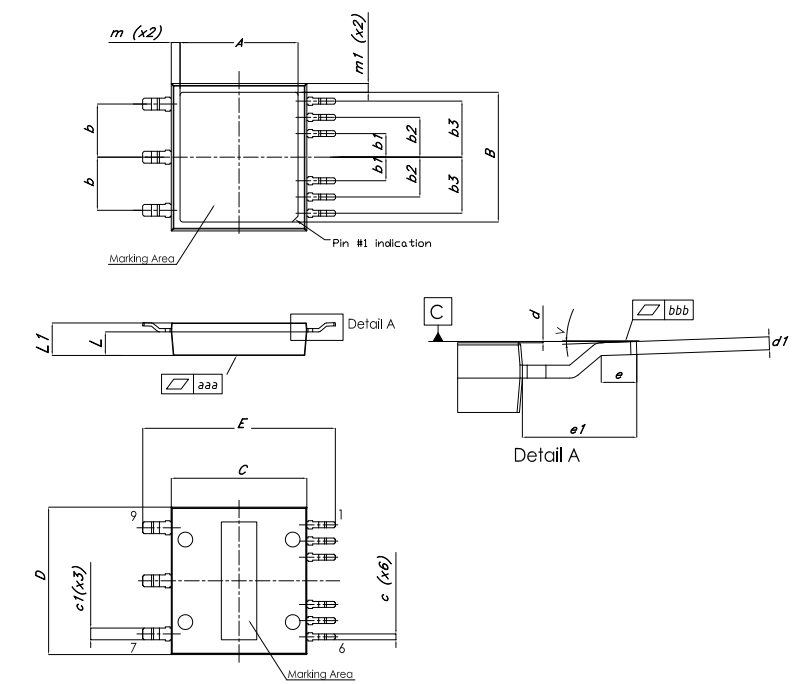
ACEPACK SMIT-Gehäuseabmessungen
Veröffentlichungsdatum: 2023-08-16
| Aktualisiert: 2023-08-29
