STMicroelectronics STEVAL-3601CV1 Evaluierungsboard
Das Evaluierungsboard STEVAL-3601CV1 von STMicroelectronics verfügt über den synchronen Abwärtswandler DCP3601CMR zur Verbesserung der Spitzenstromsteuerung und der fortschrittlichen Designschaltung. Mit diesem Board wird ein Smart-Wandler-Design demonstriert, das einen Ausgangsstrom von bis zu 1 A von einem Eingangsbereich von 3,3 V bis 36 V mit einer Ausgangsspannung von 5 V liefert. Das Evaluierungsboard STEVAL-3601CV1 umfasst eine feste Schaltfrequenz von 1 MHz, eine Spitzenstrommodussteuerung und ein internes Kompensationsnetzwerk. Dieses Evaluierungsboard ist WEEE- und RoHs-konform. Zu den typischen Applikationen gehören Leistungsumwandlungslösungen in großen Haushaltsgeräten, Smart Metering,24-V-Industrie-Busumwandlung und Universal-Netzteile mit großem Vin.Merkmale
- Umfasst den miniaturisierten, synchronen Abwärtswandler DCP3601CMR
- Eingangs-Ruhestrom: 110 µA
- 1 MHz feste Schaltfrequenz
- Eingangsbetriebsspannungsbereich: 3,3 V bis 36 V
- Ausgangsspannung: 5 V
- Synchrongleichrichtung
- Internes Kompensationsnetzwerk
- Spitzenstrommodussteuerung
- Präzisionsfreigabe
- WEEE- und RoHS-konform
Applikationen
- Leistungsumwandlungslösungen in großen Haushaltsgeräten
- Smart Metering
- Industrielle24-V-BUS-Umwandlung
- Universal-Netzteile mit großem Vin
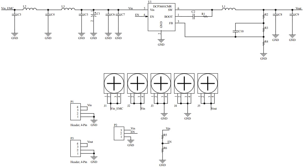
Schaltplan
Veröffentlichungsdatum: 2024-12-09
| Aktualisiert: 2026-03-17
