STMicroelectronics STEVAL-IFP040V1 Erweiterungsboard
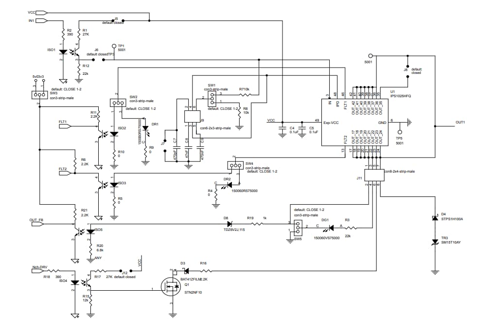
Das STMicroelectronics STEVAL-IFP040V1 Erweiterungsboard ist ein Industrie-Erweiterungsboard mit Digitalausgang, das auf dem IPS1025HF in einem QFN48L-Gehäuse basiert. Das STEVAL-IFP040V1 bietet eine leistungsstarke und flexible Umgebung für die Evaluierung der Antriebs- und Diagnosefunktionen des IPS2050HF. Das IPS1025HF ist ein High-Side-Smart-Leistungs-Einzel-Solid State Relais in einem digitalen Ausgangsmodul, das mit Industrielasten von 2,5 A verbunden ist.Das STEVAL-IFP040V1 von STM kann mit dem Mikrocontroller auf dem STM32 Nucleo über 5-kV-Optokoppler, die von GPIO-Pins und Arduino® UNO R3-Steckverbindern angesteuert werden, verbunden werden. Das Erweiterungsboard ermöglicht eine Verbindung zu einem NUCLEO-F401RE oder NUCLEOG431RB Development Board. Benutzer können auch ein System evaluieren, das ein STEVAL-IFP045V1, das auf einem STEVAL-IFP040V1 Erweiterungsboard gestapelt ist, kombiniert.
Benutzer können eine typische Architektur eines Einkanal-Digitalausgangs für Sicherheitssysteme erreichen, indem die Versorgung des STEVAL-IFP045V1 über die Hauptversorgungsschiene und die Versorgung des STEVALIFP040V1 über den Ausgang des STEVAL-IFP045V1 erfolgt. Die Prozessstufen der beiden Erweiterungsboards führen zu einem kaskadierten System. Die Last, die mit der STEVALIFP040V1-Produktion verbunden ist, kann nur geliefert werden, wenn beide kaskadierten Systeme angemessen funktionieren.
Merkmale
- Basiert auf dem IPS1025HF High-Side-Einzelschalter, der über Folgendes verfügt:
- Betriebsbereich von bis zu 60 V
- Geringe Verlustleistung (RON(MAX) = 25 mΩ)
- Laufzeitverzögerung beim Einschalten <60 µs
- Schnelles Abklingen für induktive Lasten
- Smart-Antrieb von kapazitiver Last
- Unterspannungssperre
- Überlast- und Übertemperaturschutz
- QFN48L-Gehäuse von 8 mm x 6 mm
- Betriebsbereich des Applikationsboards: 8 V bis 33 V/0 A bis 2,5 A
- Erweiterter Spannungsbetriebsbereich (J3 offen): bis zu 60 V
- Grüne LED für Ausgangs-Ein/Aus-Status (J11 schließt 3 bis 4 und SW5 schließt 1 bis 2)
- Rote LEDs für Überlast- und Überhitzungsdiagnosefunktionen (SW2 und SW4 schließt 2 bis 3)
- Ausgangsspannungs-Ein/Aus-Status-Rückmeldung (J11 schließt 1 bis 2)
- Steuersignal für eine schnelle Entladung der Ausgangsspannung (J11 schließt 5 bis 6, J12 schließt)
- Externe schnelle Entladungsschaltung für riesige induktive Lasten (J11 schließt 7 bis 8)
- Galvanische Trennung von 5 kV
- Umpolungsschutz für Versorgungsschiene
- Kompatibel mit STM32 Nucleo-Development Boards
- Ausgestattet mit Arduino® UNO R3-Steckverbindern
- CE-zertifiziert
- RoHS- und China-RoHS-konform
- Nicht FCC-zugelassen für den Wiederverkauf
Schaltplan
