STMicroelectronics STEVAL-IHM029V2 Universelle Motorsteuerungs-Testplatine
Die universelle Motorsteuerungs-Testplatine STEVAL-IHM029V2 von STMicroelectronics wurde für den Heimanwendungsmarkt entwickelt, mit besonderem Augenmerk auf Staubsauger, Lebensmittelverarbeiter und Elektrowerkzeuge. Dieses System bietet einen 20-Pin, 8-Bit Mikrocontroller, der bei 16MHz (vom Benutzer trimmbarer interner RC-Takt) betrieben wird. Es bietet auch einen 4KB Flash-Speicher, einen 10-Bit AD-Wandler, 8/16 Bit-Timer, Kommunikationsschnittstellen und 640 Bytes E2PROM. Stromversorgungsschaltkreis mit VIPer16L. Hierbei handelt es sich um einen Offline-Wandler mit einem 800V stoßentladungsbeständigen Bereich, der bei 60kHz betrieben wird.Merkmale
- 90VAC to 265VAC, 50Hz/60Hz input voltage range
- 12VDC/5VDC auxiliary power supply based on the VIPer16L in buck converter topology
- Total power consumption below 300mW in standby mode
- Maximum output power: 1500W
- 20-pin, 8-bit STM8S103F2 MCU as main controller
- Employs zero-voltage switching (ZVS) to synchronize MCU events with the voltage mains
- Motor driven by T1235T Triac in phase-angle control
- 5 power levels and standby mode selectable by potentiometer
- 5 LEDs to display the power level of the board
- "RUN" LED to indicate the board is functioning
- Standard in-circuit programming connector
- IEC 61000-4-4 pre-compliance test passed (burst up to 8kV)
- IEC 61000-4-5 pre-compliance test passed (surge up to 2kV)
- RoHS compliant
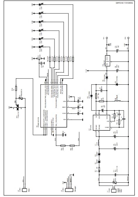
Circuit Schematic
Veröffentlichungsdatum: 2015-02-18
| Aktualisiert: 2022-03-11
